EasyManua.ls Logo

Panasonic SA-PT170PH - Assembling and Disassembling of Traverse Unit

Panasonic SA-PT170PH
139 pages
Print Icon
To Next Page IconTo Next Page
To Next Page IconTo Next Page
To Previous Page IconTo Previous Page
To Previous Page IconTo Previous Page
Loading...
65
9.21. Assembling and Disas-
sembling of Traverse
Unit
9.21.1. Disassembling of Traverse
Unit
Follow (Step 1) to (Step 3) of Item 9.3
Follow (Step 1) to (Step 4) of Item 9.4
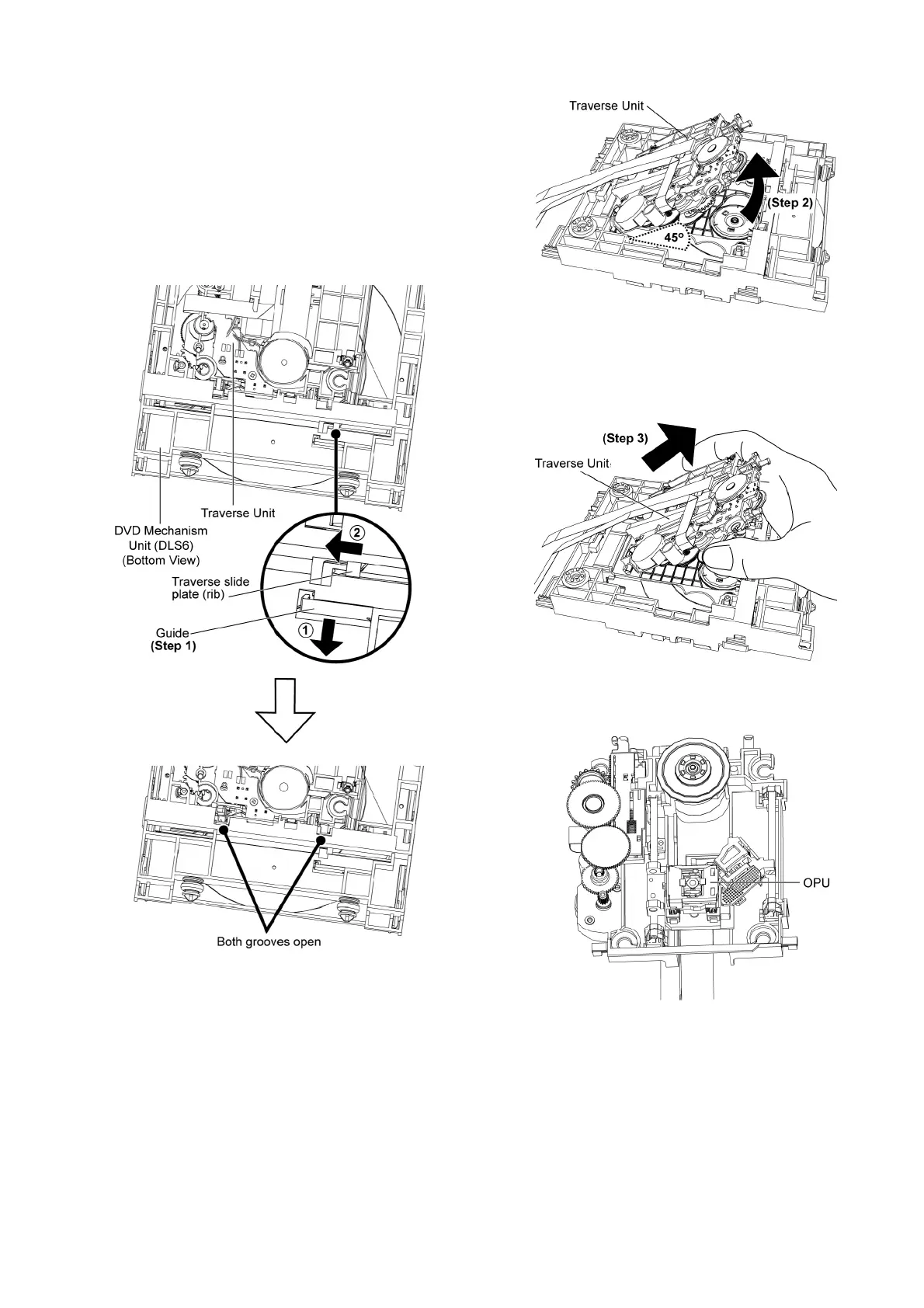
Step 1 Release the guide and slide the traverse slide plate (rib)
as arrows shown.
Step 2 Lift up the Traverse unit approximately 45° as shown.
Step 3 Slide out the Traverse unit as arrow shown.
Caution: Do not touch the surface of the Traverse unit and
place it so that the OPU is on top.

Table of Contents

Related product manuals