EasyManua.ls Logo

Panasonic SA-PT170PH - Analog Amp Block Diagram

Panasonic SA-PT170PH
139 pages
Print Icon
To Next Page IconTo Next Page
To Next Page IconTo Next Page
To Previous Page IconTo Previous Page
To Previous Page IconTo Previous Page
Loading...
94
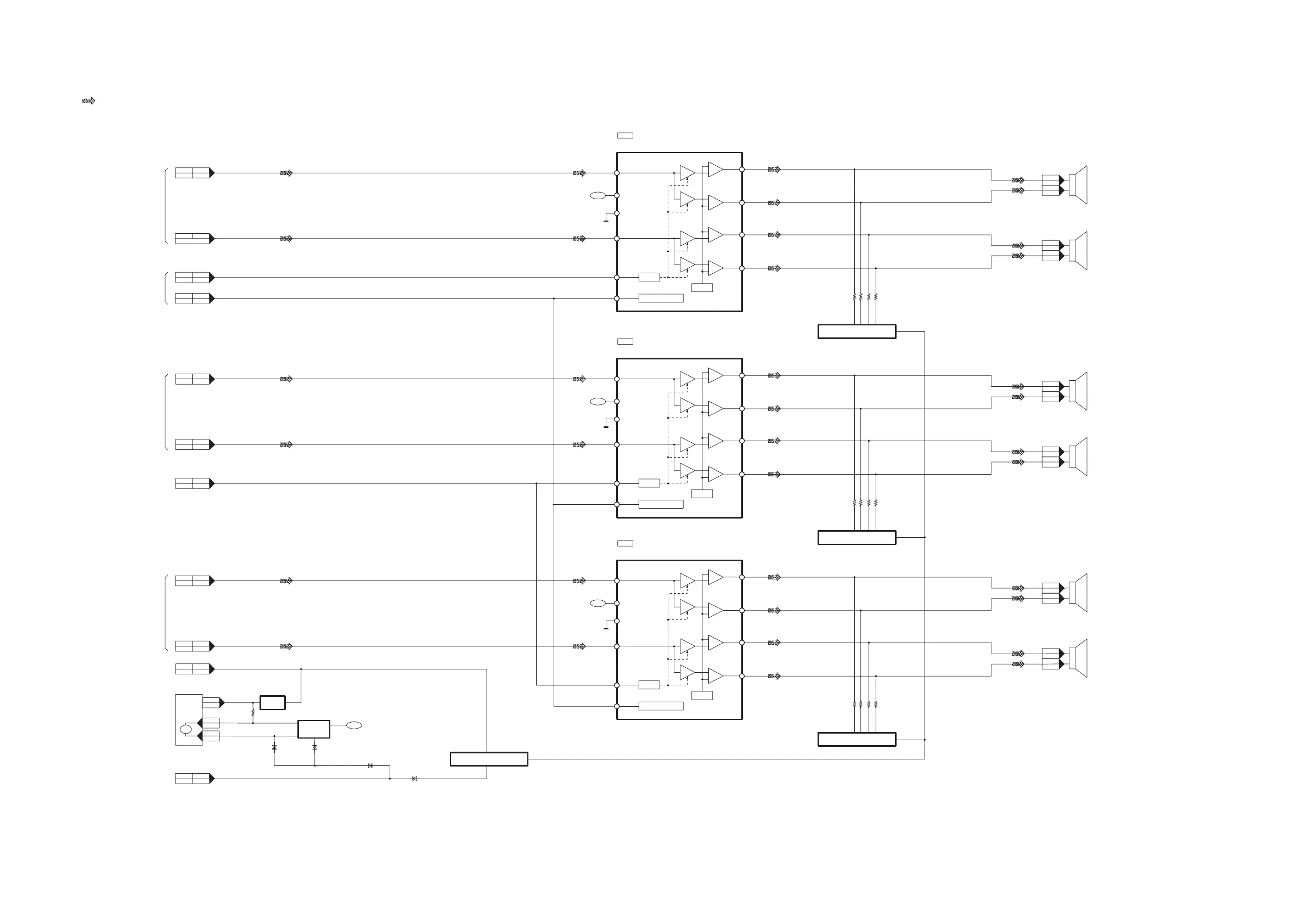
14.7. Analog Amp
IN L
IN R
MUTE
STANDBY
IC5200
AN17831A
2CH BTL POWER AMPLIFIER
+
_
+
_
_
+
MUTE
VREF
STB
+
_
+
_
_
+
VCC
OUT+ L
OUT- L
OUT+ R
OUT- R
OUT+ L
OUT- L
OUT+ R
OUT- R
OUT+ L
OUT- L
OUT+ R
OUT- R
GND
7
12
10
8
1
6
9
5
2
4
VDD
IN L
IN R
MUTE
STANDBY
IC5100
AN17831A
2CH BTL POWER AMPLIFIER
+
_
+
_
_
+
MUTE
VREF
STB
+
_
+
_
_
+
VCC
GND
7
12
10
8
1
6
9
5
2
4
VDD
IN L
IN R
MUTE
STANDBY
IC5300
AN17831A
2CH BTL POWER AMPLIFIER
+
_
+
_
_
+
MUTE
VREF
STB
+
_
+
_
_
+
VCC
GND
7
12
10
8
1
6
9
5
2
4
VDD
117
CN5050
CN2009
315
CN5050
CN2009
711
CN5050
CN2009
9
CN5050
CN2009
612
CN5050
CN2009
MODE 1
SURROUND R
SURROUND L
FRONT L
FRONT R
513
CN5050
CN2009
MODE 2
11 7
CN5050
CN2009
CENTER
SUBWOOFER
513
CN5050
CN2009
+
-
+
-
+
-
+
-
+
-
+
-
CENTER
SUBWOOFER
FRONT L
FRONT R
SURROUND L
SURROUND R
SPEAKERS
3
JK5000
11
JK5000
12
JK5000
9
JK5000
10
JK5000
4
JK5000
1
JK5000
2
JK5000
7
JK5000
8
JK5000
5
JK5000
6
JK5000
Q5747, Q5748
DC DETECT
Q5753, Q5754
DC DETECT
Q5749, Q5750
DC DETECT
Q5751, Q5752
DC DETECT
117
CN5050
CN2009
MOD DA/STB
DC DET
16 2
CN5050
CN2009
ECO DET
15 3
CN5050
CN2009
Q5740,
Q5742,
Q5744
FAN MOTOR
DRIVE
M
Q5741
FAN LOCK
DETECT
FAN LOCK
FAN DC OUT
FAN GND
VDD
FAN
1
CN5704
3
CN5704
2
CN5704
D5301
D5743 D5744
D5302
FAN SIGNAL
FROM
AUDIO
FROM
SYSTEM CONTROL
FROM
SYSTEM CONTROL
FROM
AUDIO
FROM
AUDIO
FROM
SYSTEM CONTROL
FROM
SYSTEM CONTROL
SA-PT170PH/PR ANALOG AMP BLOCK DIAGRAM
: AUDIO OUTPUT SIGNAL LINE

Table of Contents

Related product manuals