EasyManua.ls Logo

Panasonic SA-PT170PH - DVD (SERVO) Block Diagram

Panasonic SA-PT170PH
139 pages
Print Icon
To Next Page IconTo Next Page
To Next Page IconTo Next Page
To Previous Page IconTo Previous Page
To Previous Page IconTo Previous Page
Loading...
89
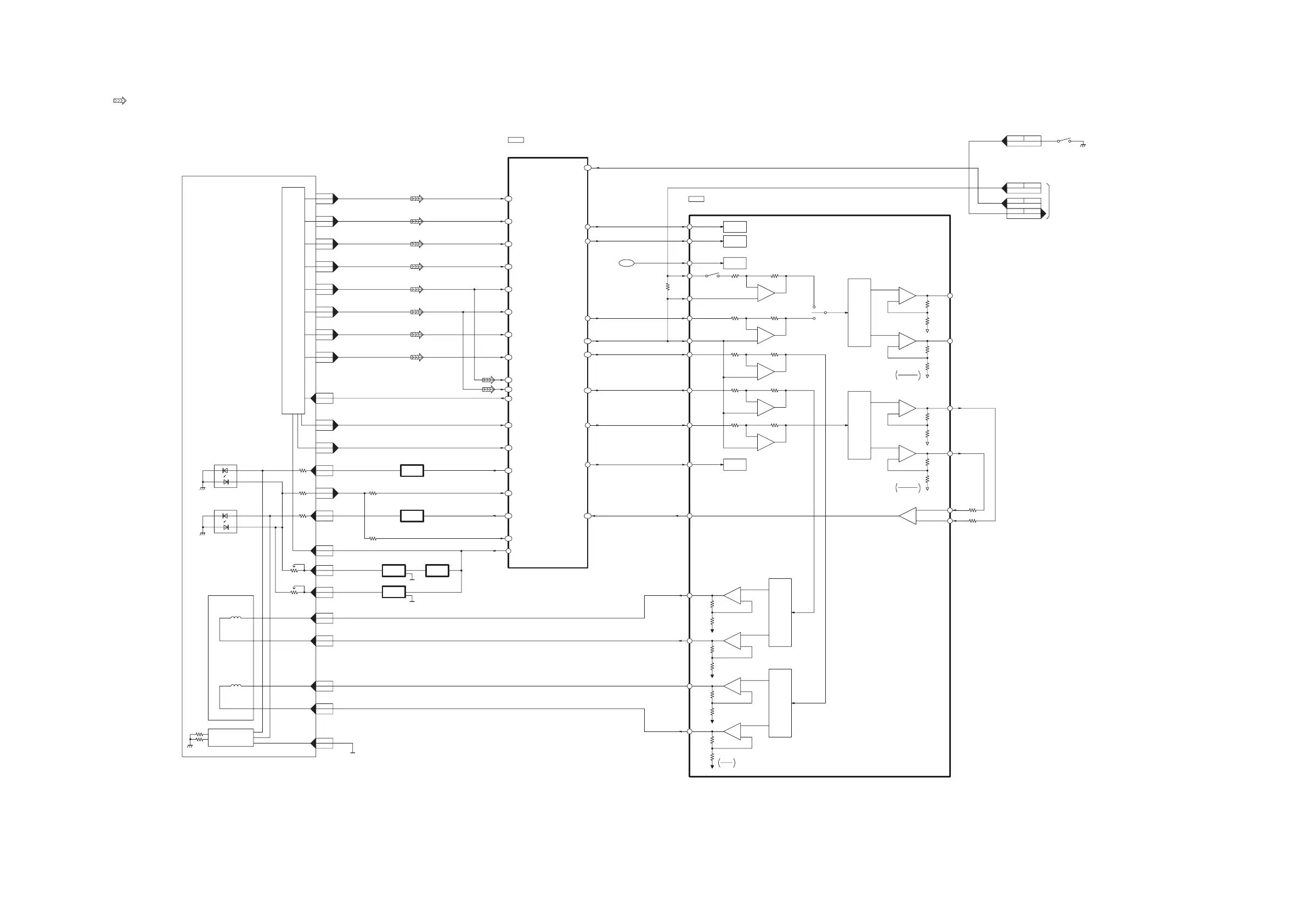
14.2. DVD (SERVO)
-
+
+
-
+
-
+
-
+
-
+
-
-
+
-
+
-
+
+
-
-
+
-
+
-
+
-
+
CNT
-
P4
49
DQM2
191
LPC2
LPCO2
LPC1
LPCO1
105
103
106
104
TRCDATA0
77
AD1
122
66
DRV1
80
TRCDATA3
RFINP
RFINN
96
95
LDCNT
VIN10
VIN9
VIN8
VIN7
VIN6
VIN5
111
VREF
109
112
116
115
114
113
PWM1
126
127
PWM0
DRV0
67
VHALF
110
48
P3
VIN4
VIN3
VIN2
VIN1
118
117
119
120
DV5.0 LSI
IC8001
MN2DS0018MP
FP8531
F-
FP8531
HFM
COIL
FOCUS
FP8531
F+
ACTUATOR
HFM
COIL
TRACKING
FP8531
T-
T+
8
6
7
5
16
FP8531
(CD)
DIODE
LASER
(DVD)
DIODE
LASER
PDIC
FP8531
PIN(DVD/CD)
9
12
LDCD+
SW
DVDIN-GND
CDIN-GND
FP8531
FP8531
LDDVD+
14
FP8531
22
FP8531
10
FP8531
11
18
RF+
FP8531
FP8531
RF-
19
23
FP8531
FP8531
24
4
FP8531
3
FP8531
E1/e2+f2
E2/e3+f3
F2/e4+f4
F1/e1+f1
20
FP8531
VREF
A/a
FP8531
26
D/d
17
FP8531
15
FP8531
C/c
B/b
25
FP8531
OPTICAL PICKUP UNIT
LD DRIVE
Q8561,Q8562
INVERTER
Q8565
SWITCH
Q8563
SWITCH
Q8564
LD DRIVE
Q8551,Q8552
VO2-
VO2+
VO1-
11
12
13
2
VCC1
CH2
CH2
CH1
CH1
BIAS2
LDIN
24
25
1
BIAS1
SHIFT
LEVEL
SHIFT
LEVEL
VO1+
OPOUT
VIN3
VIN1
VIN2
TRIN
14
6
23
28
2
3
26
4CH MOTOR DRIVER
27
MUTE
CH3
MUTE
CH1,2
9
20
MUTE
CH4
D+3.3V
IC8251
C0GBG0000048
CH3
CH3
VCC2-Vf
2
2
VCC2-Vf
CH4
CH4
OPIN+
OPIN-
4
5
VO3-
18
VO3+
17
SHIFT
LEVEL
VO4-
16
VO4+
15
SHIFT
LEVEL
46
FP8101 CN2001
47
FP8101 CN2001
43
FP8101 CN2001
LDIN
2
FP8251
UNLOAD SW
TRAVERSE
SYSTEM CONTROL
FROM/TO
SA-PT170PH/PR DVD (SERVO) BLOCK DIAGRAM
INNER SW
OPEN SW
: CD/DVD AUDIO & VIDEO INPUT SIGNAL LINE

Table of Contents

Related product manuals