EasyManua.ls Logo

Panasonic SA-PT170PH - Page 112

Panasonic SA-PT170PH
139 pages
Print Icon
To Next Page IconTo Next Page
To Next Page IconTo Next Page
To Previous Page IconTo Previous Page
To Previous Page IconTo Previous Page
Loading...
112
4
2
1
5
P1
H
TO
AC INLET CIRCUIT
IN SCHEMATIC
DIAGRAM - 15
J
TO
VOLTAGE SELECTOR CIRCUIT
IN SCHEMATIC
DIAGRAM - 15
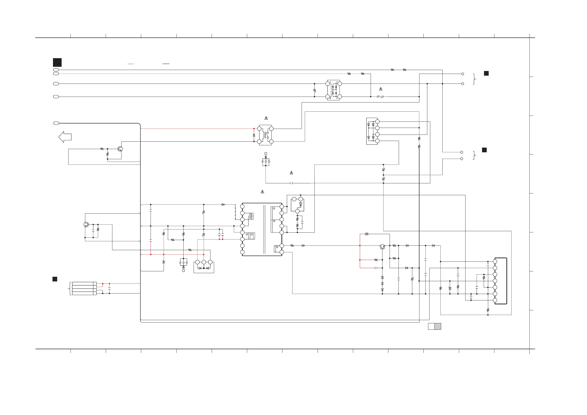
SA-PT170PH/PR SMPS CIRCUIT
: +B SIGNAL LINE : -B SIGNAL LINE
F
TO
ANALOG AMP
CIRCUIT
(CN5051)
IN SCHEMATIC
DIAGRAM - 12
15 16 17 18 19 20 21 22 23 24 25 26 27 28
15 16 17 18 19 20 21 22 23 24 25 26 27 28
A
B
D
E
F
H
G
C
2/21/2
G
SMPS CIRCUIT
SCHEMATIC DIAGRAM - 14
TO SMPS
SECTION (1/2)
1
2
4
3VDD
GND
GND
VDD
DRAIN
15V
-12V
VIN
MA2J11100L
D5727
C5712
400V180
R5723
R5724
33K
33K
R5706
0.27K
R5704
120K
C5727
2200P
2200P
C5722
R5726
0.1
C5747
560P
C5723
470P
1
C5730
47K
R5733
6
5
4
3
2
1
7
C0DAAMH00015
IC5701
100
R5732
0
K5721
C5725
0.1
D5732
MAZ83000ML
R5898
4.7K
47K
R5899
0.01
C5839
321
ZJ5803
B0HFRJ000012
D5803
C5842
0.01
120
R5842
B1ABCF000176
Q5841
C5843
1
DCDET
SYS5V
C5805
35V2200
PCONT
DCDET
MA2J11100L
D5807
0
C5800
312
B0HBSM000054
D5802
C5808
35V2200
VDD
R5834
2.2K
2.2K
R5843
C5799
400V10
4
3
1
2
D5799
B0EDKT000009
3
2
4
1
B0FBAR000041
D5701
MA2J11100L
D5899
34
1
2
K6B1AEA00003
RY5701
R5705
120K
0.27K
R5707
R5702
B0EAMM000057
D5731
22
R5720
R5703
100K
100K
3
21
B0ZAZ0000052
D5702
C5713
0.01
R5722
2K
2K
CURRENT LIMITING
SWITCH
D5729
B0EAMM000057
C5726
50V10
C5721
220P
MA2J11100L
D5724
R5725
2SC3940ARA
Q5720
D5721
MAZ82000ML
C5720
1000P
10K
R5721
MA2J11100L
D5723
MA2J11100L
D5726
D5722
MAZ82000ML
B1ABCF000176
Q5899
0
C5826
321
ZJ5801
F1BAF1020020
1000P
C5700
10
12
13
11
7
5
4
9
6
8
16
14
15
1
2
T5701
ETS35BC2P6AC
SYS_GND
RELAY DRIVE
-13V
GND
GND
FB
D
GND
VCC
FB
VCC
S
OLP/SS
RED
TL1*
TL2*
TL3*
TL4*
BLK
OCP/BD
SWITCHING REGULATOR
+25V
MAIN TRANSFORMER
V1
NC
NC
NC
DC DETECT
VDD
C5831
0.1
GND
T1.6AL 250V
F2
H5801*
C5711
400V180
BLU
WHT
C5815
0.1
C5812
0.1

Table of Contents

Related product manuals