EasyManua.ls Logo

Panasonic SA-VK470EE - Tact Switch, Music Port, Remote Sensor, Mic, USB Circuit

Panasonic SA-VK470EE
154 pages
Print Icon
To Next Page IconTo Next Page
To Next Page IconTo Next Page
To Previous Page IconTo Previous Page
To Previous Page IconTo Previous Page
Loading...
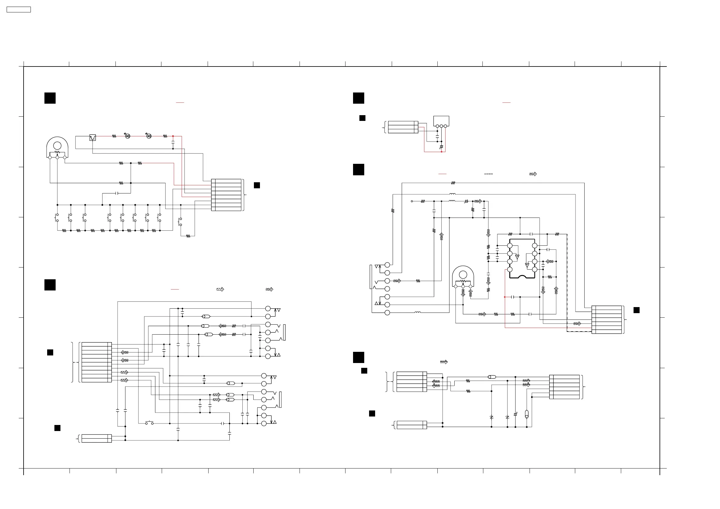
20.4. Tact Switch, Music Port, Remote Sensor, Mic, USB Circuit
H
REMOTE SENSOR CIRCUIT
I
MIC CIRCUIT
F
TACT SWITCH CIRCUIT
G
MUSIC PORT CIRCUIT
J
USB CIRCUIT
SCHEMATIC DIAGRAM - 12
SA-VK470EE TACT SWITCH / MUSIC PORT / REMOTE SENSOR / MIC / USB CIRCUIT
C
TO
PANEL CIRCUIT
(J6001)
IN SCHEMATIC
DIAGRAM - 11
10
1
B
TO
MAIN CIRCUIT
(CN2806)
IN SCHEMATIC
DIAGRAM - 7
B
TO
MAIN CIRCUIT
(CN2812)
IN SCHEMATIC
DIAGRAM - 5
5
1
A
TO
DVD MODULE
CIRCUIT
(FP9001)
IN SCHEMATIC
DIAGRAM - 1
TO USB
C
TO
PANEL CIRCUIT
(J6501A*)
IN SCHEMATIC
DIAGRAM - 11
C
TO
PANEL CIRCUIT
(ZJ6601)
IN SCHEMATIC
DIAGRAM - 11
B
TO
MAIN CIRCUIT
(CN2813)
IN SCHEMATIC
DIAGRAM - 5
: +B SIGNAL LINE
: +B SIGNAL LINE
: +B SIGNAL LINE
: MAIN SIGNAL LINE : MUSIC PORT SIGNAL LINE
: MIC SIGNAL LINE
: +B SIGNAL LINE : -B SIGNAL LINE
: USB SIGNAL LINE
A
B
C
D
E
F
G
H
1234567891011121314
1234567891011121314
A
B
D
E
F
H
G
C
321
J0JBC0000019
J0JBC0000019
L6003
L6000
L6864 0
C6000
5
4
7
1
8
3
2
JK6001
0
R6013
R6005
680
C6001
0.01
R6004
680
J0JBC0000019
L6002
R6012
0
R6008
39K0.47
C6005
R6009
100
560
R6006
C6002
0.1
R6007
100
C6006
1000P
R6010
10K 1
C6009
4
5
1
3
2
7
6
CN6702
MIC_D
C6008
0
C6012
47P
R6011
10K
R6014
100
C6011
560P
R6816 0
C6003
47P
C6010
1000P
1000P
C6004
6
7
5
2
4
3
81
IC6000
C0ABBB000230
VR6001
EVUE27FK2B53
MIC VOLUME JOG
1000P
C6512
390
R6512
R6511
0
C6810
390P
C6861
1000P
C6801
0.047
J0JBC0000019
L6802
J0JBC0000019
L6851
R6811
1K
1K
R6812
L6801
J0JBC0000019
L6863
J0JBC0000019
J0JBC0000019
L6812
330PC6814
J0JBC0000019
L6811
0.047
C6802
1
2
ZJ6801
1
2
ZJ9000*
C6811
1
1
C6812
0.01
C6816
1
6
4
5
JK6800
7
3
2
1
7
6
4
5
JK6810
3
2
0.01
C6815
0.01C6821
0.01C6822
6
8
9
7
2
1
4
5
3
10
CN6807
MP_GND
S6820
0.01
C6865
390P
C6820
0.1
C6803
0.1
C6804
C6851
0.1
C6852 1000P
0.1
C6863
C6813 330P
HP_L
HP_R
HP_GND
DGND_C
MP_L
MP_SW
HP_SW
MP_R
DGND_B
R6208
6.8K
KEY2_STOP_B
5
6
1
3
4
2
8
7
J6501B*
S6304
S6302
S6303
R6304R6305 R6303
S6308
S6306
S6307
R6308 R6306R6307
R6501
12K
R6502
22K
R6503
10K
C6503
1000P
EVEKE2F3524M
VOLUME JOG
VR6500
S6300
R6301
1K1K1.2K1.8K2.2K2.7K4.7K 0
S6208
R6302
S6301
LED_SUPPLY_B
DVREF+_B
J_VOLA_2
J_VOLA_2
LED_GND_B
A_GND
NC
V-
V+
MIC AMP
MIC_SW
DGND
MIC
-9V
+9V
MIC
50V4.7
HP_L
HP_SW
HP_R
PA_SW
MUSIC PORT
HEADPHONE
OPEN
PA_IN_L
HP_GND
DGND
PA_IN_GND
EJECT
PA_IN_R
STOP
LED_SUPPLY
DGND
LED_GND
J_VOLA
DVREF+
KEY3
VOL_LED
TAPE
FM/AM
MANUAL EQ
STOP / -DEMO
/ REWIND
V
/ FORWARD
V
EXT-IN
DVD / CD
USB
321
J0JHC0000034
LB9002
2
4
3
1
6
5
CN7002
6.3V220C9001
EZJZ1V171AA
J0JHC0000034
LB9001
R9031
R9030
0
2
3
1
5
4
CN8002
EZJZ1V171AA
D-
VBUS
D+
DGND
D-
D+
VBUS
DGND
DGND
VA9002
VA9001
123
B3RAB0000025
VOUT
GND
VCC
Z6601
1
3
2
J6001B*
50V22
C6616
C6601
100P
VREF+
DGND
REMOTE CONTROL SENSOR
RMT
VOL_LED_B
Q6511
B1GBCFJN0033
LED DRIVE
B3AEA0000107
VOL LED(TOP) VOL LED(BOTTOM)
D6511
0
D6512
B3AEA0000107
SA-VK470EE
110

Table of Contents

Related product manuals