EasyManua.ls Logo

Phason PEC Plus - Page 26

Phason PEC Plus
112 pages
Print Icon
To Next Page IconTo Next Page
To Next Page IconTo Next Page
To Previous Page IconTo Previous Page
To Previous Page IconTo Previous Page
Loading...
Chapter 2: Installing your PEC Plus Phason
16 2009-06-15
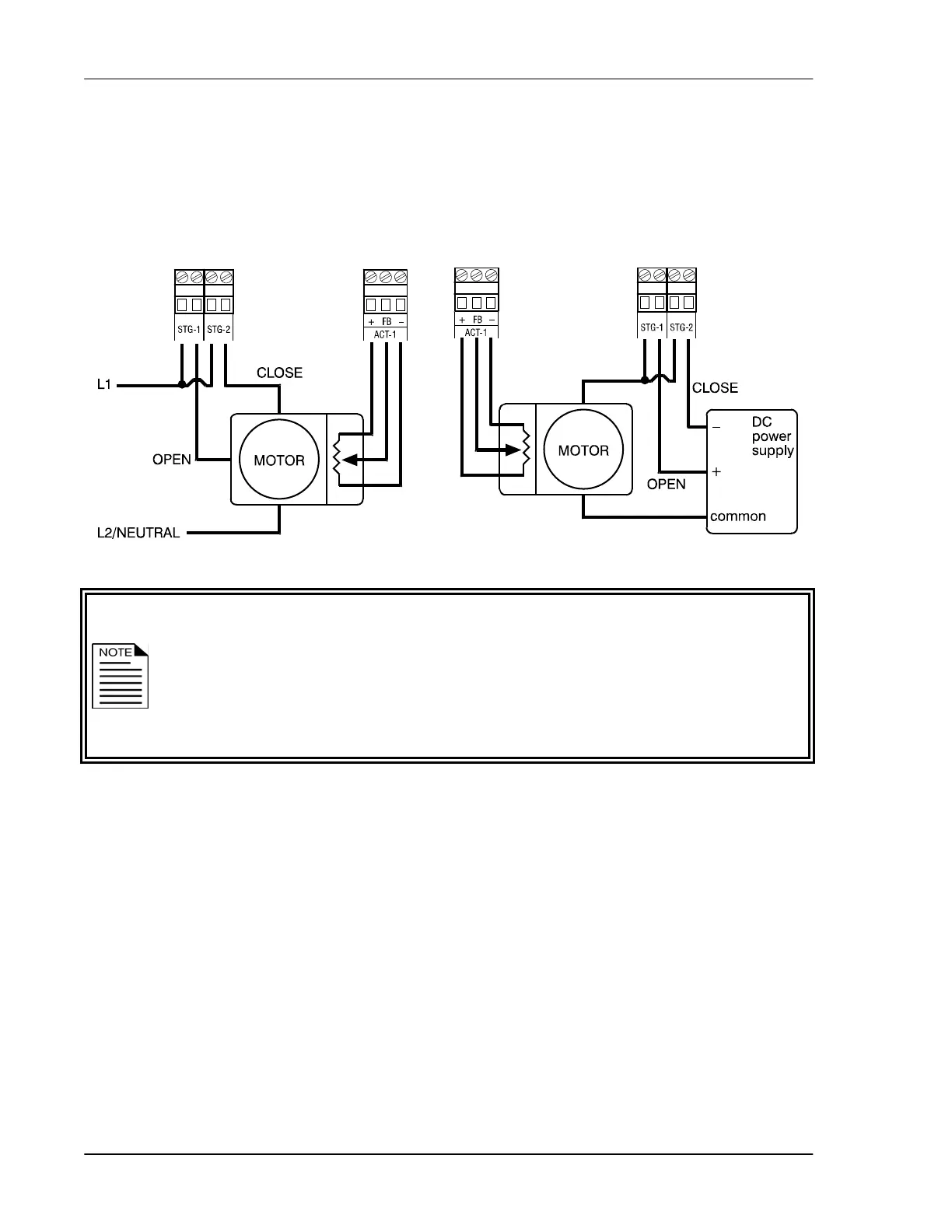
To connect actuators
Connect actuators to your PEC Plus as shown below.
Refer to your actuator’s installation guide for information about its power supply requirements.
If you are unsure of the potentiometer wiring for your actuator, read
Determining
correct actuator feedback wiring
on page 82.
When routing the actuator feedback wires, do not run them in or along the same
conduit as AC-power lines. Follow the guidelines
on page 12.
If you are measuring AC power with a digital multimeter (DMM), note that if a limit
switch opens the circuit, the DMM measures voltage after the relay switch even if
the relay is open.
AC-powered actuators DC-powered actuators

Table of Contents

Other manuals for Phason PEC Plus