EasyManua.ls Logo

Philips Avalon FM20 - General Test Setup for the Performance of Safety Tests

Philips Avalon FM20
260 pages
Print Icon
To Next Page IconTo Next Page
To Next Page IconTo Next Page
To Previous Page IconTo Previous Page
To Previous Page IconTo Previous Page
Loading...
7 Testing and Maintenance
63
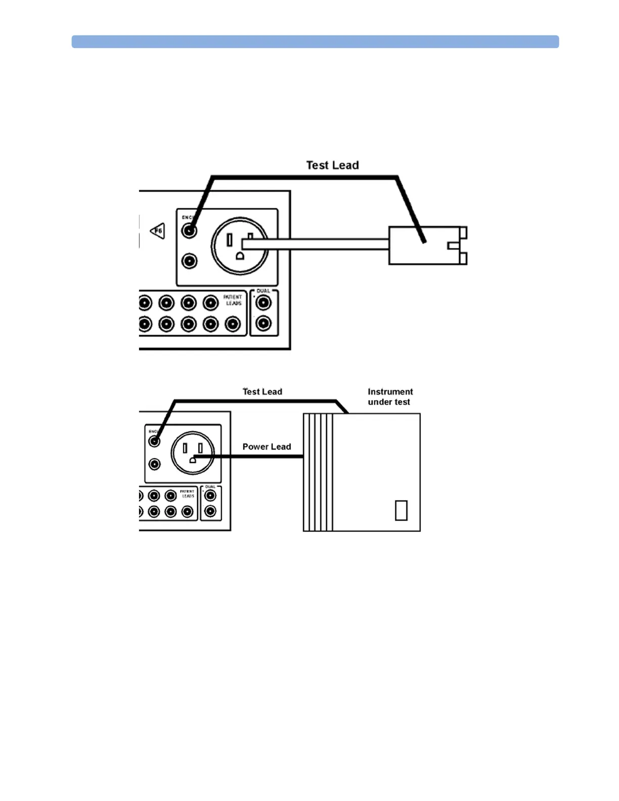
General Test Setup for the Performance of Safety Tests
Connect the detachable power cord of the device under test to the safety analyzer's test mains port.
For testing the applied part leakage current, connect all applied parts to the safety analyzer using the
appropriate patient lead or adapter cable. If necessary, repeat the safety test procedure until all available
applied parts have been tested. Refer to the documentation that accompanies the safety analyzer for
further details on how to set up and perform the test. Power on the device under test for all tests.
Protective Earth Resistance Test - Setup Example
Equipment Leakage Current Test - Setup Example

Table of Contents

Other manuals for Philips Avalon FM20

Related product manuals