EasyManua.ls Logo

Philips Avalon FM20 - Sum of Functional Earth and Equipment Leakage Current Test

Philips Avalon FM20
260 pages
To Next Page IconTo Next Page
To Next Page IconTo Next Page
To Previous Page IconTo Previous Page
To Previous Page IconTo Previous Page
Loading...
7 Testing and Maintenance
66
S(2): Sum of Functional Earth and Equipment Leakage Current Test - Normal
Condition
Test to perform:
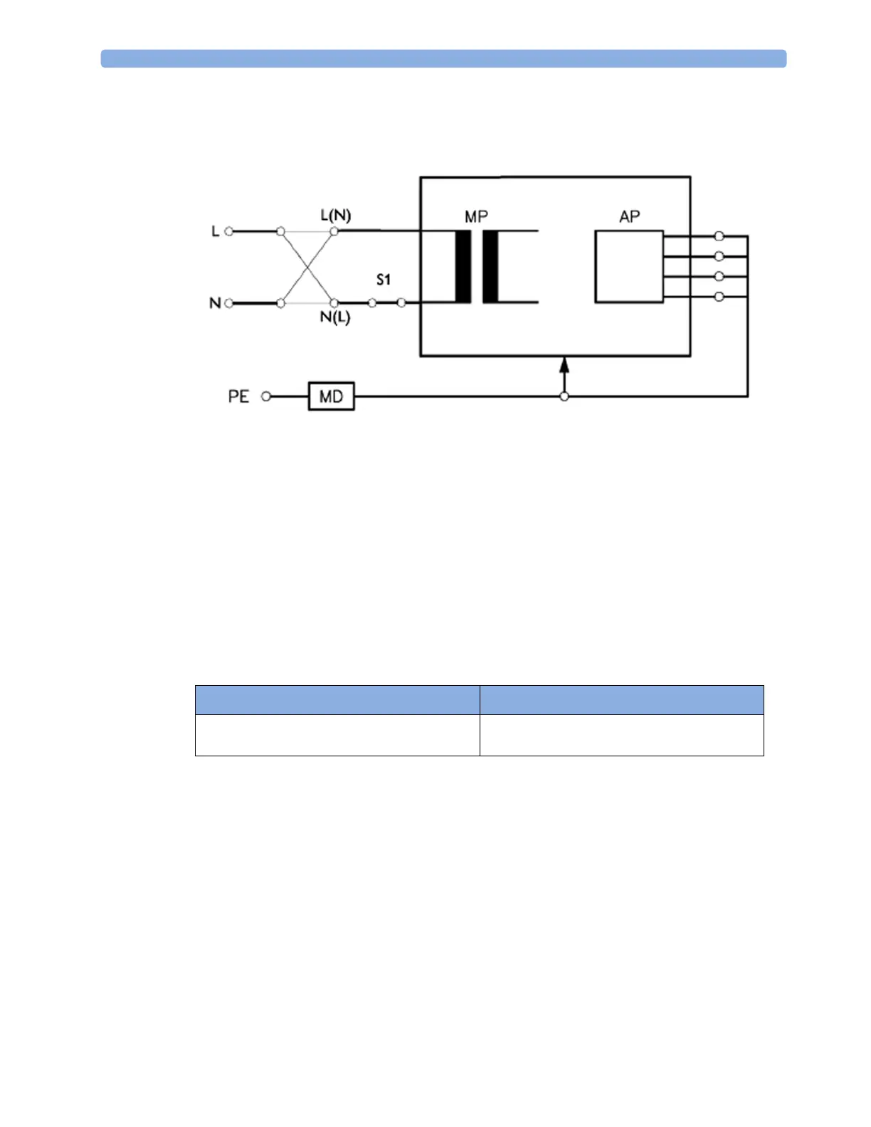
Measuring circuit for the measurement of Equipment Leakage Current - Direct method
according to IEC/EN 62353
This test measures leakage current of exposed metal parts of the FM20/FM30 monitor and the
functional earth leakage current. It tests normal and reversed polarity. Perform the test with S1 closed
(normal condition).
NOTE
The protective earth conductor is required for EMC purposes. It has no protective function against
electric shock. The protection against electric shock is provided by double and/or reinforced
insulation.
This safety test is based on IEC/EN 60601-1, IEC/EN 62353, and UL2601-1 Ed. 2/UL60601-
1:2003. For measurement limits, refer to test block Safety (1), Option B71. Report the highest value:
(X1).
NOTE
All values for current and voltage are the root mean square (r.m.s.) values, unless otherwise stated.
You can find metal parts of the device:
In the top cover (accessed by opening the paper drawer).
In an interface slot located in the bottom housing (you need to remove the interfaces if they are
fitted).
Test Expected Test Results
Equipment Leakage Current test (normal
condition - with mains cable)
X1 <= 100 μA

Table of Contents

Other manuals for Philips Avalon FM20

Related product manuals