EasyManua.ls Logo

ProMinent DULCOMETER Compact - Calibration of the Cell Constant

ProMinent DULCOMETER Compact
116 pages
Print Icon
To Next Page IconTo Next Page
To Next Page IconTo Next Page
To Previous Page IconTo Previous Page
To Previous Page IconTo Previous Page
Loading...
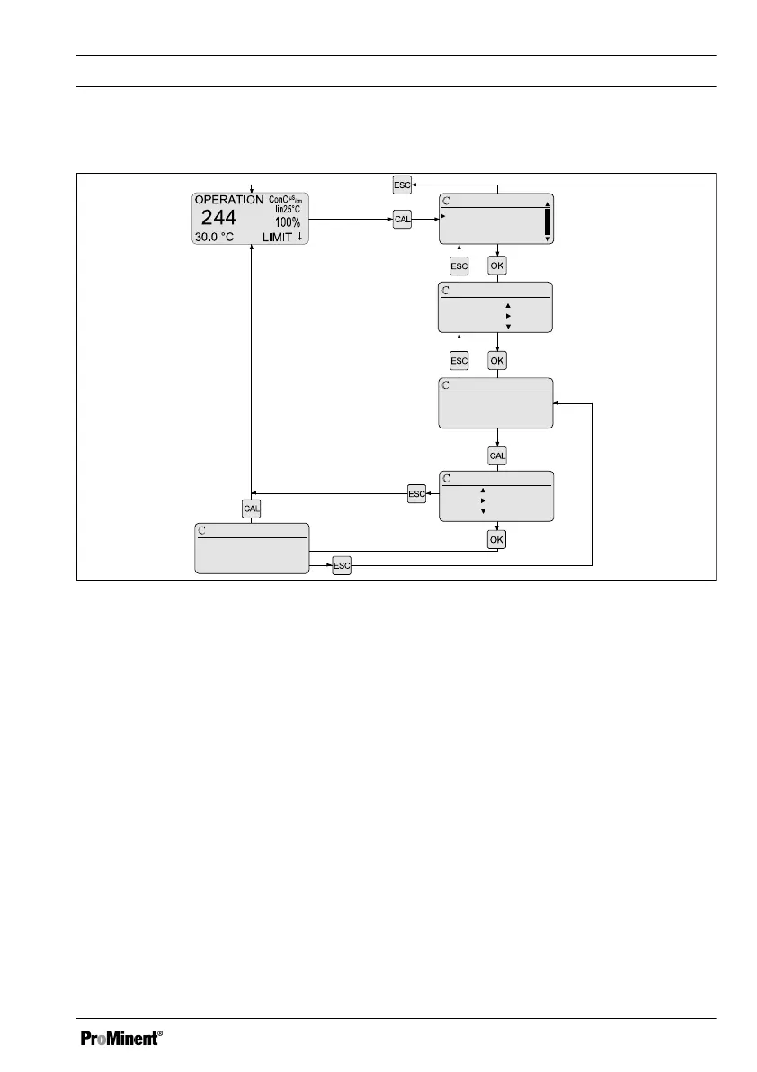
9.1.1 Calibration of the cell constant
Fig. 23: Calibration of the cell constant
Operating menus
57

Table of Contents

Related product manuals