A1626
CAL
CELLCONST
CAL TEMPCOEFF
CAL_T1= 22.0 °C
CHANGE TEMP
TCOEFF
CAL TEMPCOEFF
T2 > 32.0 °C or
CAL_T2= 43.0 °C
CAL TEMPCOEFF
TCOEFF=0.00%/°C
CAL TEMPCOEFF
CAL=OLD
CAL=CONTINUE
T2 < 12.0 °C
CAL=CONTINUE
WAIT
CAL TEMPCOEFF
T2 > 32.0 °C or
T2 < 12.0 °C
I.
II.
STABLE ?
CAL_T2= 43.0 °C
CAL TEMPCOEFF
CAL=CONTINUE
ACCEPT ?
III.
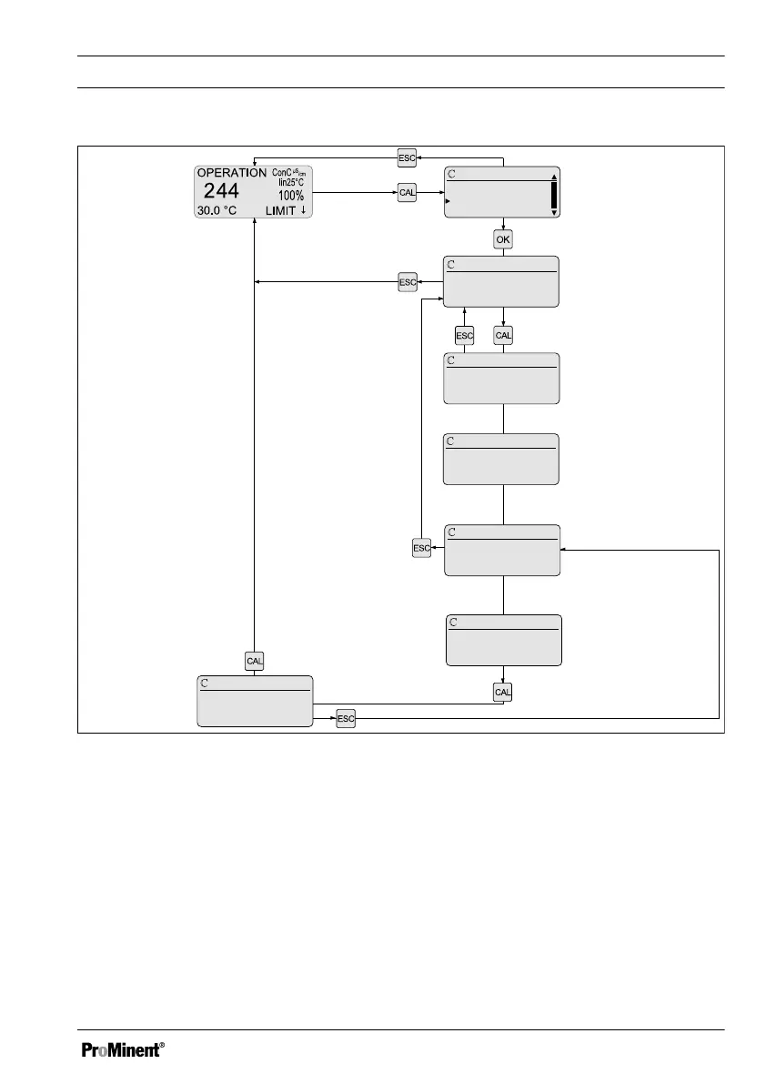
Fig. 24: Calibration of the temperature coefficient
I. If the temperature change is greater
than 2°C, the note changes to
[WAIT]
II. If the temperature is within the speci‐
fied range, the note changes to
[STABLE]
III. When a stable final temperature has
been reached, the note changes to
[ACCEPT?]
Calibration can now be
terminated manually.
Operating menus
61