EasyManua.ls Logo

Pylontech M1C-UL9540 - Page 105

Pylontech M1C-UL9540
122 pages
Print Icon
To Next Page IconTo Next Page
To Next Page IconTo Next Page
To Previous Page IconTo Previous Page
To Previous Page IconTo Previous Page
Loading...
101
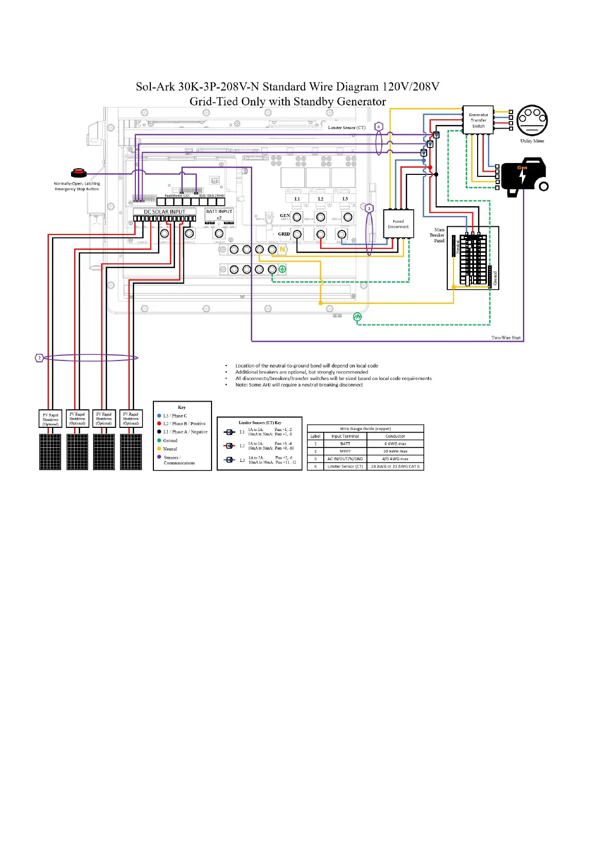
Diagram 8

Table of Contents

Related product manuals