EasyManua.ls Logo

Pylontech M1C-UL9540 - Page 108

Pylontech M1C-UL9540
122 pages
Print Icon
To Next Page IconTo Next Page
To Next Page IconTo Next Page
To Previous Page IconTo Previous Page
To Previous Page IconTo Previous Page
Loading...
104
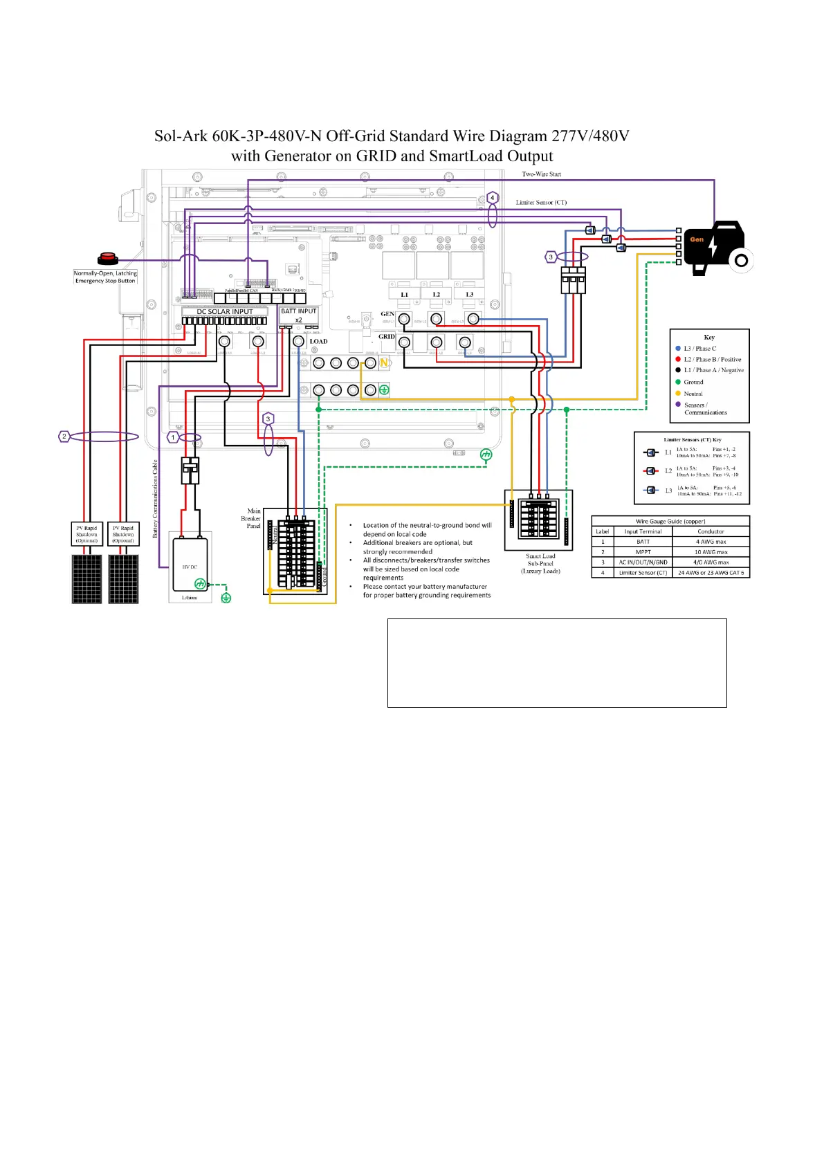
Diagram 2
CT Sensors are optional but necessary to enable
Peak Shaving.
(See the inverter separate manual for details.)

Table of Contents

Related product manuals