EasyManua.ls Logo

Radyne ComStream SFC6400A - Section 3 - Operation; 3 Theory of Operation

Default Icon
156 pages
Print Icon
To Next Page IconTo Next Page
To Next Page IconTo Next Page
To Previous Page IconTo Previous Page
To Previous Page IconTo Previous Page
Loading...
SFC6400A/SFC1450A Synthesized Frequency Upconverter Operation
TM106 Rev. 1.1 3-1
Section 3 - Operation
3.0 Theory of Operation
The SFC Upconverters have been designed to minimize the amount of hardware in the system while
maximizing performance. Spurious performance in the Upconverter is critical and in particular, LO
related spurious In-Band is nonexistent.
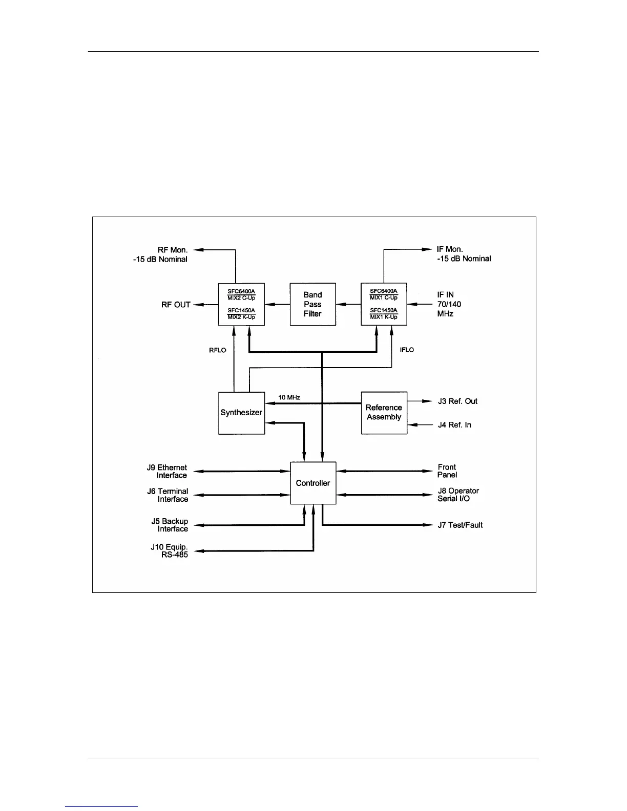
The SFC Upconverters are double conversion microwave Upconverters. The basic block diagram is
shown in Figure 3-1.
Figure 3-1. SFC Upconverter Block Diagram

Table of Contents