EasyManua.ls Logo

Renesas R8C series - Resets

Renesas R8C series
341 pages
Print Icon
To Next Page IconTo Next Page
To Next Page IconTo Next Page
To Previous Page IconTo Previous Page
To Previous Page IconTo Previous Page
Loading...
R8C/1A Group, R8C/1B Group 6. Resets
Rev.1.30 Dec 08, 2006 Page 38 of 315
REJ09B0252-0130
6. Resets
The following resets are implemented: hardware reset, power-on reset, voltage monitor 1 reset, voltage monitor 2
reset, watchdog timer reset, and software reset. Table 6.1 lists the Reset Names and Sources.
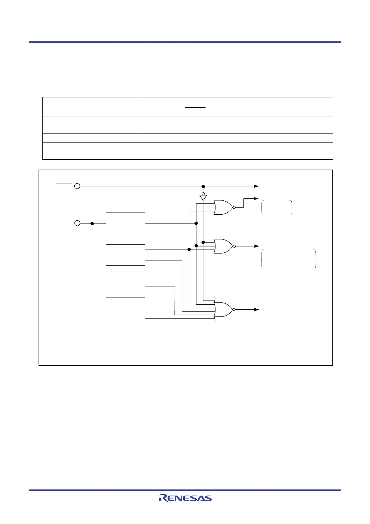
Figure 6.1 Block Diagram of Reset Circuit
Table 6.1 Reset Names and Sources
Reset Name Source
Hardware reset Input voltage of RESET
pin is held ā€œLā€.
Power-on reset VCC rises.
Voltage monitor 1 reset VCC falls (monitor voltage: Vdet1).
Voltage monitor 2 reset VCC falls (monitor voltage: Vdet2).
Watchdog timer reset Underflow of watchdog timer
Software reset Write 1 to PM03 bit in PM0 register.
RESET
Power-on
reset circuit
Voltage
detection
circuit
Watchdog
timer
CPU
Voltage monitor 1 reset
SFRs
bits VCA26,
VW1C0 and
VW1C6
SFRs
bits VCA13, VCA27,
VW1C1, VW1C2,
VW1F0, VW1F1, VW1C7,
VW2C2, and VW2C3
Pin, CPU, and
SFR bits other than
those listed above
VCC
Hardware reset
Power-on reset
Voltage monitor 2 reset
Watchdog timer
reset
Software reset
VCA13: Bit in VCA1 register
VCA26, VCA27: Bits in VCA2 register
VW1C0 to VW1C2, VW1F0, VW1F1, VW1C6, VW1C7: Bits in VW1C register
VW2C2, VW2C3: Bits in VW2C register

Table of Contents

Related product manuals