EasyManua.ls Logo

ROBOTIQ PE20 - Conveyor Positioning Holes

Default Icon
136 pages
Print Icon
To Next Page IconTo Next Page
To Next Page IconTo Next Page
To Previous Page IconTo Previous Page
To Previous Page IconTo Previous Page
Loading...
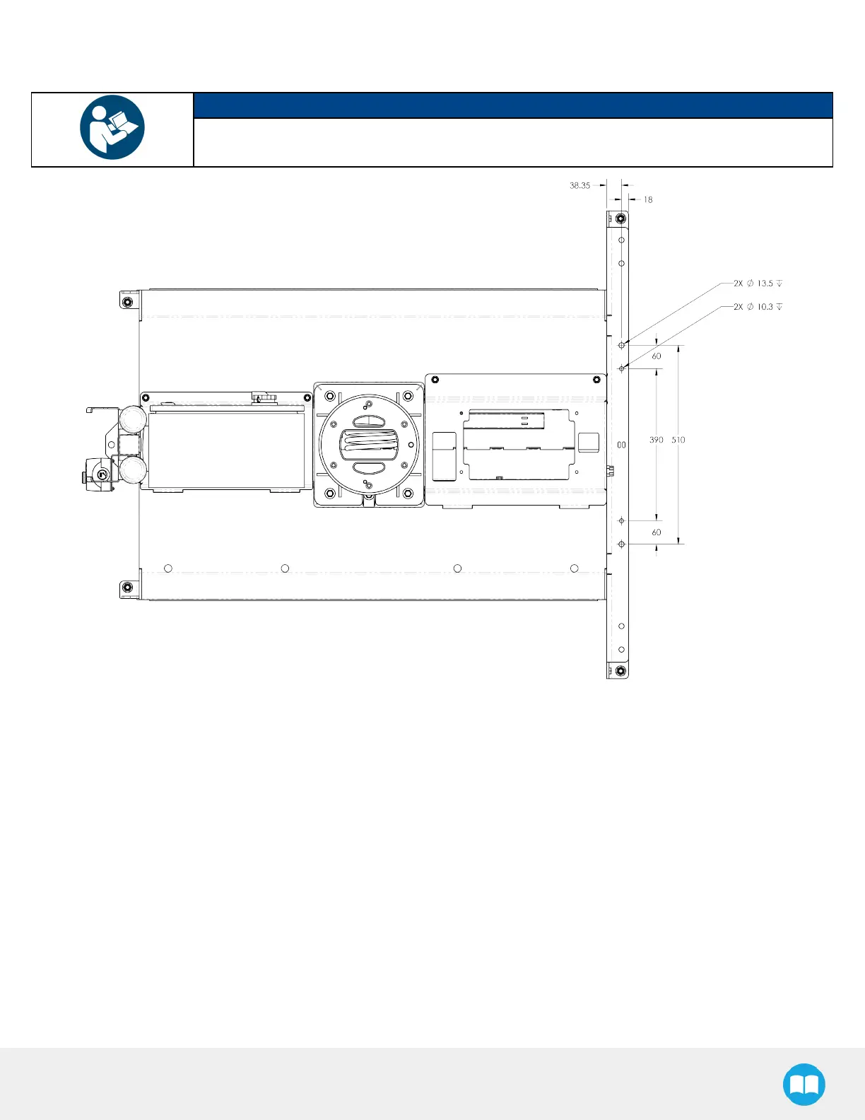
11.2.ConveyorPositioningHoles
NOTICE
The mounting component of the conveyor should be placed directly under the upper lip of the
removable stopper to facilitate the removal of the Solution from the anchors.

Other manuals for ROBOTIQ PE20

Related product manuals