EasyManua.ls Logo

Roland Soljet EJ-640 - Page 13

Roland Soljet EJ-640
150 pages
Print Icon
To Next Page IconTo Next Page
To Next Page IconTo Next Page
To Previous Page IconTo Previous Page
To Previous Page IconTo Previous Page
Loading...
1
Machine
Highlights
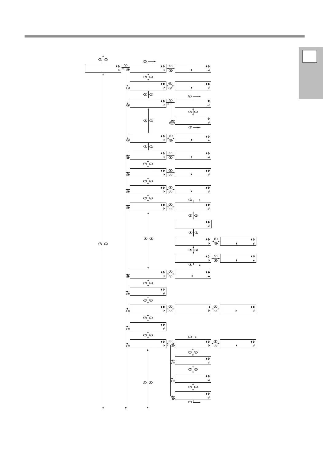
Menu List
11
SLEEP
INTERVAL
INK CONTROL
EMPTY MODE
MEDIA RELEASE
DISABLE ENABLE
SUB MENU
MEDIA RELEASE
SUB MENU
FACTORY DEFAULT
SUB MENU
SYSTEM REPORT
SUB MENU
INK CONTROL
SUB MENU
SLEEP
SUB MENU
SHEET TYPEプ
MENU
SUB MENU
SHEET TYPEプ
CLEAR   OPAQUE
SUB MENU
SHEET WIDTH
SUB MENU
SHEET POS.
SHEET POS. 
SAVE
SHEET POS. 
CANCEL
SHEET WIDTHバ
1600mm 1600mm
SUB MENU
SIDE MARGIN
SUB MENU
SCAN INTERVAL
SUB MENU
VACUUM POWER
SUB MENU
FULL WIDTH S
SIDE MARGIN
10mm   05mm
SCAN INTERVAL
OFF  1.0sec
VACUUM POWER
AUTO    90%
FULL WIDTH S
FULL  OFF
PERIODIC CL.
NONE
PERIODIC CL.
PAGE
PERIODIC CL.
INTERVAL(JOB)
INTERVAL(JOB)
10min 990min
PERIODIC CL.
INTERVAL(TIME)
INTERVAL(TIME)
10min 990min 
INTERVAL
15min 15min 
EMPTY MODE
STOP  CONT.
INK CONTROL
INK RENEWAL
(*1)
SUB MENU
PERIODIC CL.
INK CONTROL
LIGHT CHOKE CL.
INK CONTROL
REFRESH SUBTANK
To the [TEST PRINT POS] menu
To the [CANCEL] menu
To the [SAVE] menu
To the [INTERVAL(TIME)] menu
To the [NONE] menu
To the [REFRESH SUBTANK] menu
To the [EMPTY MODE] menu
Continue
Continue
Continue Continue

Table of Contents

Other manuals for Roland Soljet EJ-640

Related product manuals