EasyManua.ls Logo

Rosemount 2700 - Block Diagram

Rosemount 2700
94 pages
Print Icon
To Next Page IconTo Next Page
To Next Page IconTo Next Page
To Previous Page IconTo Previous Page
To Previous Page IconTo Previous Page
Loading...
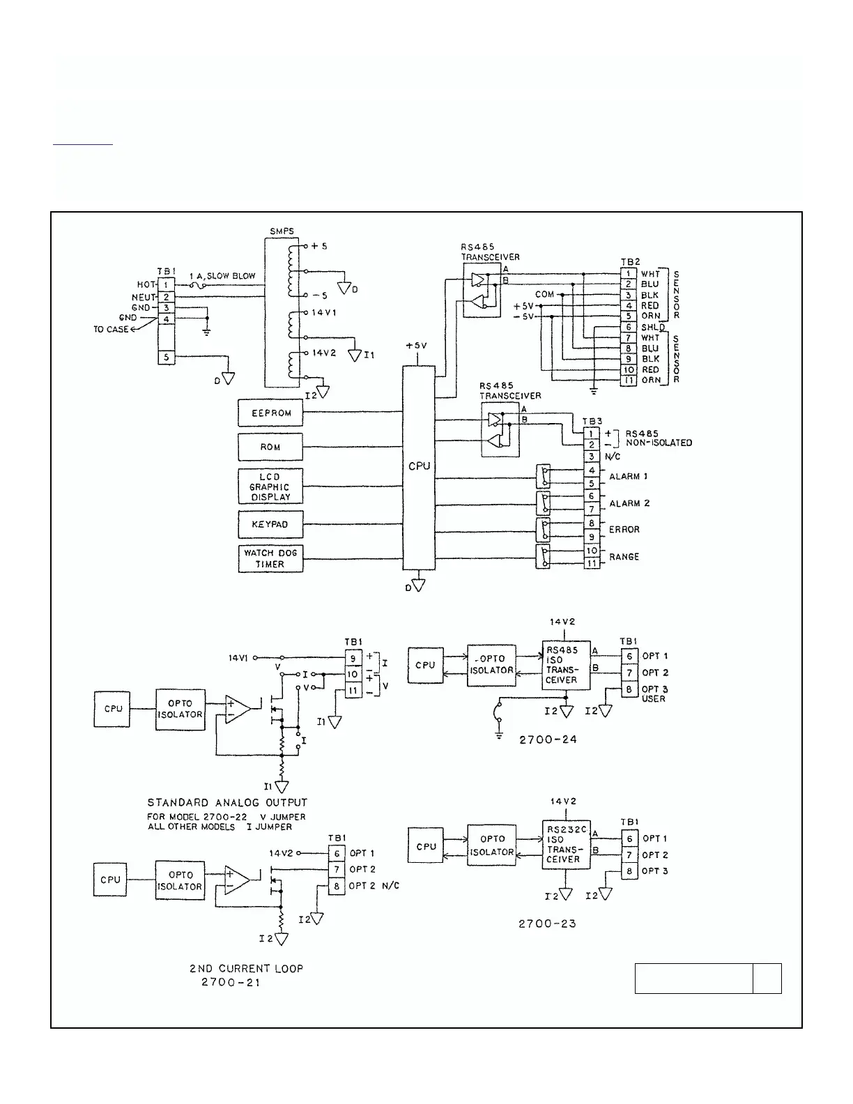
FIGURE 6-1. Block Diagram
6-4
MODEL 2700 SECTION 6.0
TROUBLESHOOTING
6.4 BLOCK DIAGRAM
Figure 6-1 is provided for reference as an overview of the electronic module functions. The Model 2700 has no operator service-
able parts. It is recommended that service be performed by trained service personnel. The operator may, though, replace the
electronics module sub-assembly. Disconnect all hazardous voltage before opening the enlosure.
DWG. NO. REV.
40270006 B

Table of Contents

Related product manuals