EasyManua.ls Logo

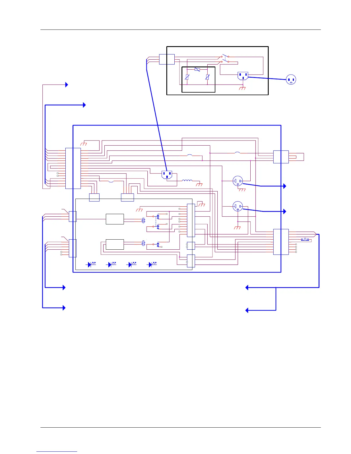
Rowe NiteHAWK - Figure 7-1 - Nitehawk Wiring Diagram (Sheet 1)

Rowe NiteHAWK
94 pages
Print Icon
To Next Page IconTo Next Page
To Next Page IconTo Next Page
To Previous Page IconTo Previous Page
To Previous Page IconTo Previous Page
Loading...
NiteHAWK Internet Jukebox Troubleshooting
22022602 7-5
Figure 7-1 - NiteHAWK Wiring Diagram (Sheet 1)
+24 VPDC
+9 VDC
P4
1
2
3
+12 VDC
CB1 6A
COMPUTER
5
4
3
2
1
6
10
11
12
13
14
15
7
8
9
1
2
3
4
5
6
7
8
9
1
2
3
4
5
6
7
8
9
5
4
3
2
1
6
10
11
12
13
14
15
7
8
9
+5VD C
P1
1
2
3
4
5
6
7
8
9
10
11
12
CB3
3A
P6
1
2
3
4
ROUTER
1
2
3
1
2
3
4
5
6
1
2
3
4
4
3
2
1
CB2 6A
P5
1
2
P7
1
2
3
4
MOV
MOV
1
2
3
MOV
1
2
3
AC PLUG
FERRITE
GROUND
*Y /B
*G/ Y
*B
*O
*BR/ W
+12 V COMMON
*S
*BR/ W
*R/Y
*W
*R/B
*BL
*R
*G/Y
*B/Y
*G/ Y
+24V COMMON
*B/R
*B
*B/W
*R/ Y *Y /B
*R/Y
*S
*W
+24 VP DC
+12V FILTERED
*O/ B
*BR/W
*G/ Y
*R/Y
*R
*BR
*W/B
*B
*B
NEUT
*W/B
120VAC
*B/R
*B/W
*O
*S
*S/ Y
*W/B
*W/B
CBA-SYSTEM
PWR SUPPLY
40923409
POWER SUPPLY ASSEMBLY 22145809
NL
TO BOTTOM LEAD OF PRIMARY # 2
TO TOP LEAD OF PRIMARY # 2
TO BOTTOM LEAD OF PRIMARY # 1
TO TOP LEAD OF PRIMARY # 1
LINE ( 120 ~ )
NEUTRA L
*W/B
*B
*B/ W
*R/B
*R
*G/ Y
*B/ R
120 V, 60 ~
Mains Inlet
Stripe
LINE (120 ~)
PHONO LIGHTS
RELAY
CONTROL
P3
RELAY
CONTROL
*W/R
*W/G
*W/BL
*W/B *B/ Y
*B/Y
*R
*W/G
*W/R
*W/BL
BL
BL
BL
34039922
34038808
*B
120 VAC
JUMPER
ASSY
22135403
34032610
*S/ Y
*S
*S
+9 COM
ON/OFF CTRL
+9 VDC
Stripe
22212805
22212806
COMPONENTS
POWER
MAINS SUPPLY
SELECTOR
*W
ROUTER
RESET
TO
ROWELINK
CONTROLLER
P2 SHEET 2
TO INTERCONNECT
BOARD P1 SHEET 2
TO ROWELINK
CONTROLLER
P23 SHEET 2
TO MARS BILL
ACCEPTOR
SHEET 2
TO 34039922
HARNESS
SHEET 4
POWER CORD
PLUGS INTO
CORE COMPUTER
IEC 320 MALE
POWER INLET
SHEET 4
ROUTER AC
ADAPTER
(SHEET 4)
PLUGS INTO
THIS OUTLET
P2
TO 34032610
HARNESS
SHEET 3
21121237
34087701 SURGE SUPPRESSOR 120V
L
34070901 CBA
N
B
W
(POWER CORD 21121216)
B
G/Y
W
21621867
TO 120 VAC
WALL
OUTLET
21621868
34087801
G/Y
BR
BL
FOR EQUIVALENT ENGINEERING DRAWING, SEE 21871075-Q7 REV C

Table of Contents

Related product manuals