EasyManua.ls Logo

Saeco MAGIC M2 - Page 104

Saeco MAGIC M2
112 pages
Print Icon
To Next Page IconTo Next Page
To Next Page IconTo Next Page
To Previous Page IconTo Previous Page
To Previous Page IconTo Previous Page
Loading...
English
104
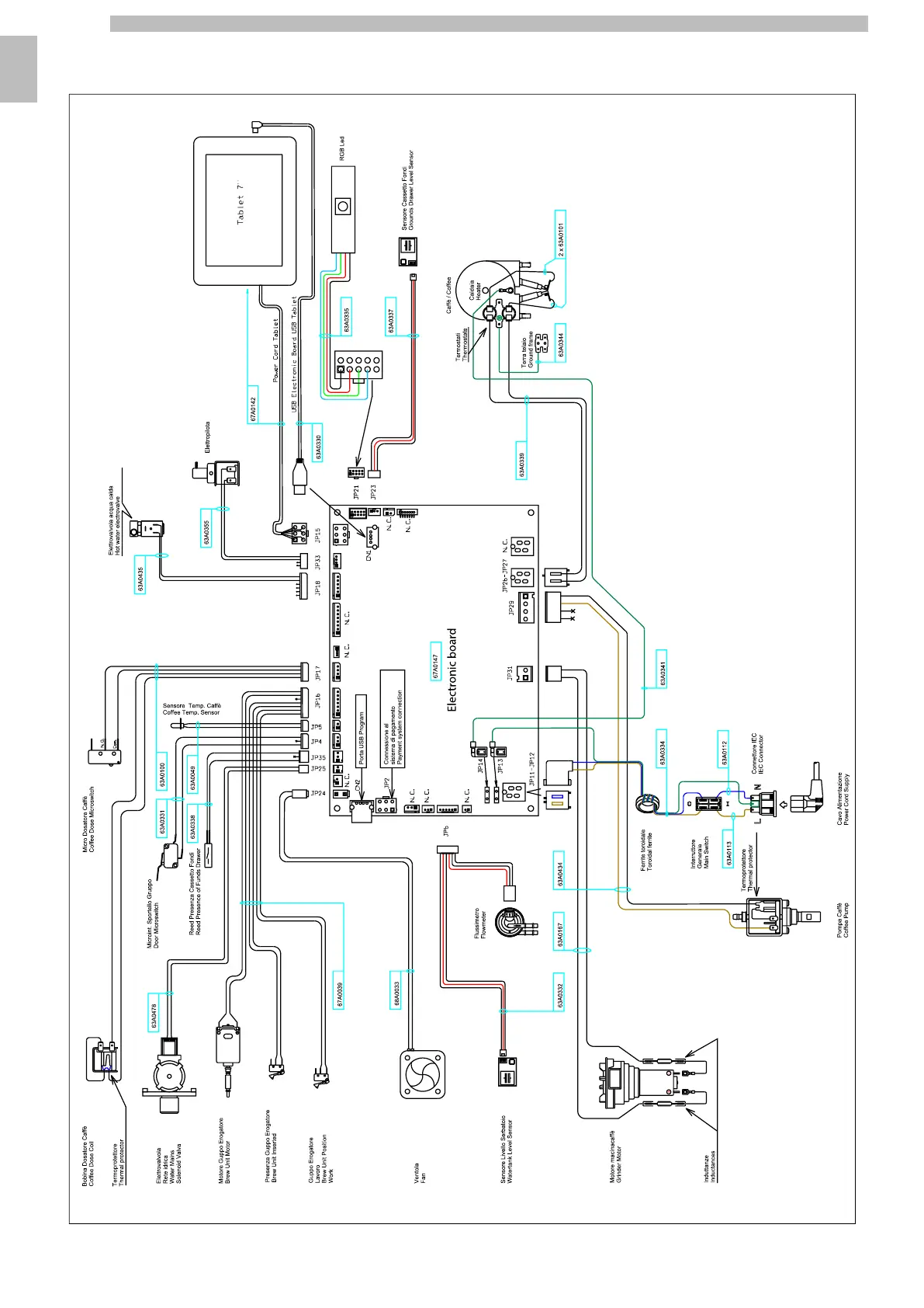
Wiring
harness
diagram
Magic
B2+

Table of Contents