EasyManua.ls Logo

Saeco MAGIC M2 - Quick Coffee Unit Cleaning

Saeco MAGIC M2
112 pages
Print Icon
To Next Page IconTo Next Page
To Next Page IconTo Next Page
To Previous Page IconTo Previous Page
To Previous Page IconTo Previous Page
Loading...
English
12
63
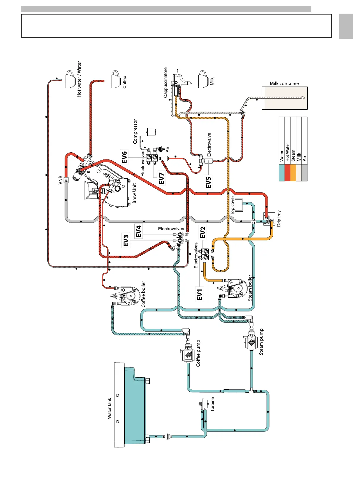
12OPERATING LOGICS
12
12.1Water Circuit
12
Magic
M1
-
M2
1212121212

Table of Contents

Other manuals for Saeco MAGIC M2

Related product manuals