EasyManua.ls Logo

Saeco MAGIC M2 - Disassemb. the Boiler Pin

Saeco MAGIC M2
112 pages
Print Icon
To Next Page IconTo Next Page
To Next Page IconTo Next Page
To Previous Page IconTo Previous Page
To Previous Page IconTo Previous Page
Loading...
English
15
90
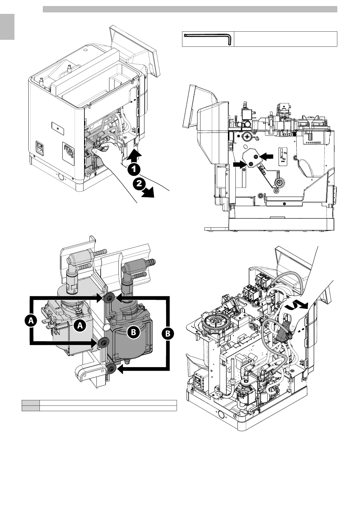
Slip the pump holder off.
151515151515
UsingaTorxT10screwdriver,removethepairofscrewslockingthepumpholder
of the pump that we want to replace.
151515151515
ASteam pump
BCoffee pump
151515
15.6Disassemb. the boiler pin
15
The following tools are necessary to remove this component:
1515
Allen wrench no. 5
151515
Disassembletheexternalcoversasdescribedabove,untildisassemblyoftheupper
cover, to access the component to be replaced. Remove the brew group.
1515
Remove the 2 screws using a no. 5 Allen wrench as shown in figure.
15151515
Remove the boiler pin.
15151515
Disconnect the pipes indicated in the picture.
15

Table of Contents

Other manuals for Saeco MAGIC M2

Related product manuals