EasyManua.ls Logo

Saeco MAGIC M2 - Manual Brew Group Cleaning

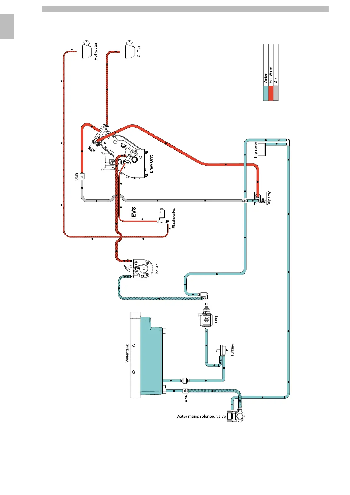
Saeco MAGIC M2
112 pages
Print Icon
To Next Page IconTo Next Page
To Next Page IconTo Next Page
To Previous Page IconTo Previous Page
To Previous Page IconTo Previous Page
Loading...
English
12
66
121212
Magic
B2+
1212121212

Table of Contents

Other manuals for Saeco MAGIC M2

Related product manuals