EasyManua.ls Logo

Sakai TW504 - Page 366

Default Icon
480 pages
Print Icon
To Next Page IconTo Next Page
To Next Page IconTo Next Page
To Previous Page IconTo Previous Page
To Previous Page IconTo Previous Page
Loading...
10-017
TROUBLESHOOTING
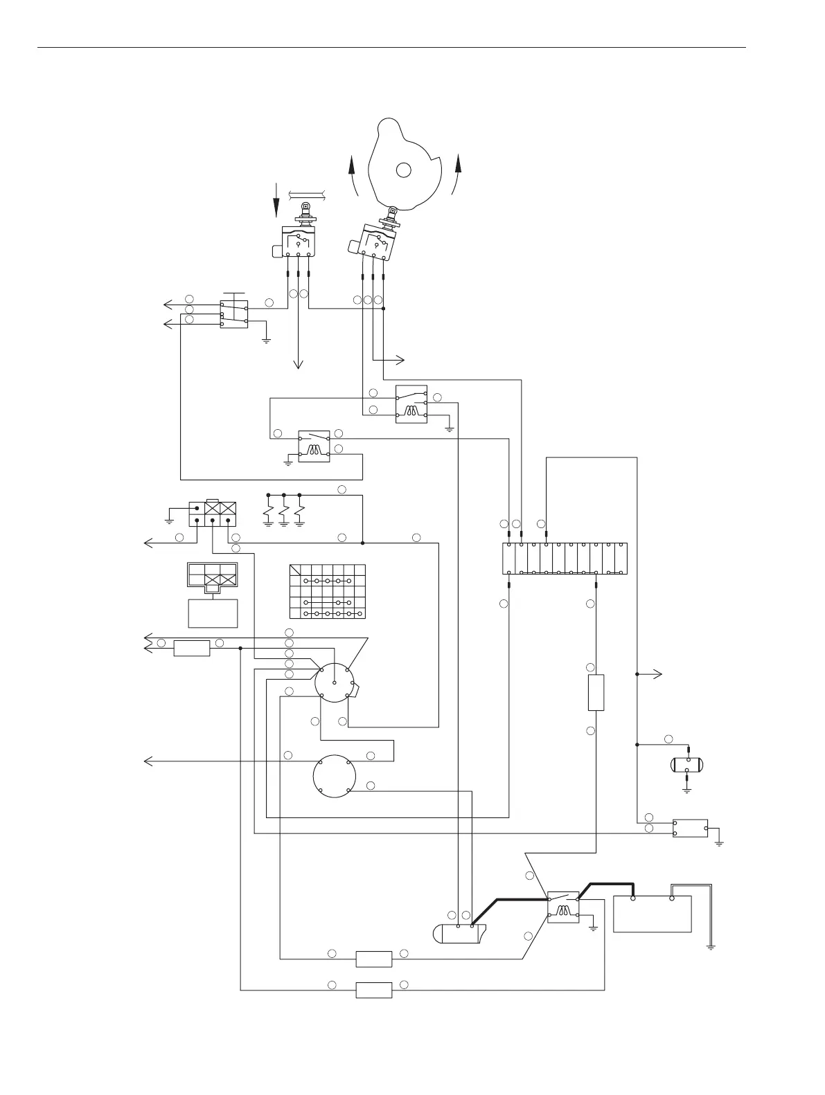
Fig.: 2-2-1
SW354-10001
TO
PARKING BRAKE SOLENOID
TO
COMBINATION METER
TO
BRAKE LAMP
RELAY
TO
TACHO METER
SENSOR
TO
COMBINATION METER
TO
COMBINATION METER
TO
COMBINATION METER
NC
NO
COM
COM
NONC
25
3W
B
3BW
300
3BW
R
LgR
302
LgR
302
2
5
3
1
301
Y
301
Y
4
1
5
6
2
3
AV60
AV60
60
BrY
W
f
e
c
b
a
24
27
24
26
300
52
14
10
17
10
12 2 2
14
32
16
3
10
13
11
7
4
28
26
3 4
32
22
28
13
8
22
16
25
24
22
2
1
15
40
41
LgR LgW
R
B
W
B
WR
WB
RY
RB
3BY
RB
3BY
5WG
8WY
R
B
B
AV60
13
14
12
11
5
2
10
9
8
7
6
4
3
1
2Y
5WR
B
B
3BR
WL
8WY
2Y
5BR
3W3W
Y WR 5WR
3W
WL
YW
Lg
W
LgR
WG
10
WG
5WG
10
5WG
5WR 5W
BrB
NO
BR
COM
B
B
E
L
B
IG
S
B
3
4
56
B
BR
ACC
R2
R1
C
5R
8
5R
STOP
GY
RY
RY
RB
+ -
12V 80AH
95D31R
B
RW
YL
FUSE BOX
FUSE
FUEL PUMP
FOOT
BRAKE
SWITCH
F.L.
STARTER MOTOR
SOL
ENGINE STOP
SOLENOID
STARTER
SWITCH
F.L.
BATTERY
RELAY
ALTERNATOR
BATTERY
PARKING BRAKE
SWITCH
F-R
LEVER
SWITCH
FUSE
GLOW PLUGS
PARKING INTERLOCK RELAY
INTERLOCK RELAY
GLOW
LAMP
TIMER
65A
20A
15A
15A
15A
20A
20A
15A
15A
20A
20A
15A
65A
5A
F
R
TO
WATER SPRAY MODE SELECT SWITCH,
VIBRATOR RELAY
7
5W
R
ST
ON
OFF
HEAT
CB
R
A
CC
R
2
R
1
B
STARTER SWITCH

Table of Contents

Related product manuals