EasyManua.ls Logo

Sakai TW504 - Hydraulic Component Specifications; Propulsion Hydraulic Pump

Default Icon
480 pages
Print Icon
To Next Page IconTo Next Page
To Next Page IconTo Next Page
To Previous Page IconTo Previous Page
To Previous Page IconTo Previous Page
Loading...
4-011
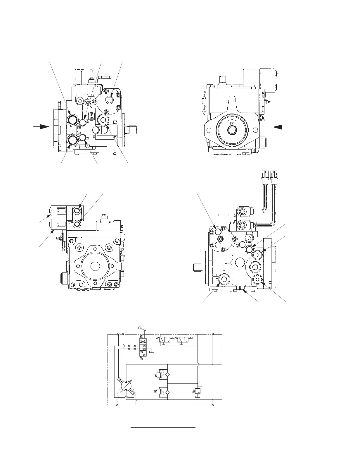
HYDRAULIC SYSTEMS
2-2. Hydraulic Component Specications
2-2-1. Propulsion hydraulic pump
SW354-04001
A
2
1
Hydraulic circuit diagram
3
7
9
4
8
5
16
3
2
6
1
4
12
10
11
16
6
5
B
VIEW A VIEW B
11
8
7
12
13
1415

Table of Contents