EasyManua.ls Logo

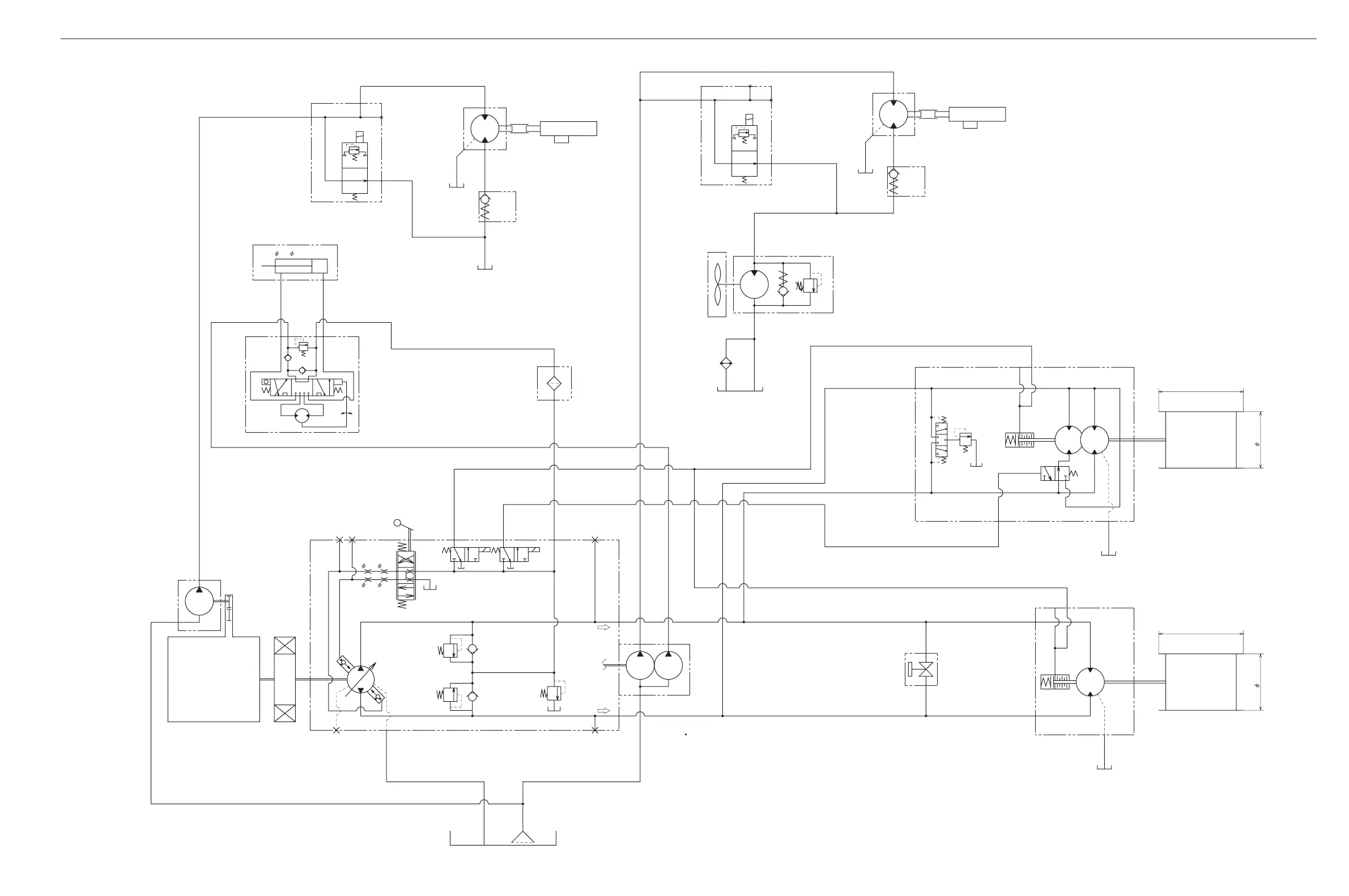
Sakai TW504 - Hydraulic Circuit Diagram; Hydraulic Circuit Diagram (SW354)

Default Icon
480 pages
Print Icon
To Next Page IconTo Next Page
To Next Page IconTo Next Page
To Previous Page IconTo Previous Page
To Previous Page IconTo Previous Page
Loading...

Table of Contents

Related product manuals