EasyManua.ls Logo

Schwank Control Touch - Wiring for Converter; Modbus Rtu > Knx

Schwank Control Touch
71 pages
Print Icon
To Next Page IconTo Next Page
To Next Page IconTo Next Page
To Previous Page IconTo Previous Page
To Previous Page IconTo Previous Page
Loading...
Revision: 3.0 Page 57 of 70
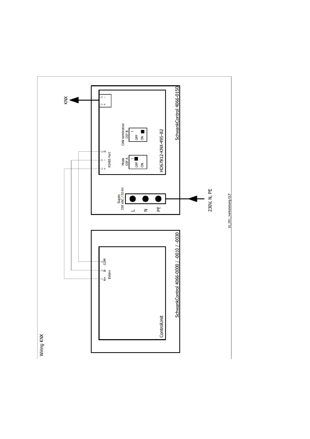
11.4.2. Wiring for converter
MODBUS RTU > KNX
Comes with the adapter in printed form

Table of Contents