EasyManua.ls Logo

Schweitzer Engineering Laboratories SEL-321 - Figure 2.5: Zone 1 Mho Phase Distance Element Logic

Schweitzer Engineering Laboratories SEL-321
396 pages
Print Icon
To Next Page IconTo Next Page
To Next Page IconTo Next Page
To Previous Page IconTo Previous Page
To Previous Page IconTo Previous Page
Loading...
Date Code 20011026 Specifications 2-55
SEL-321/321-1 Instruction Manual
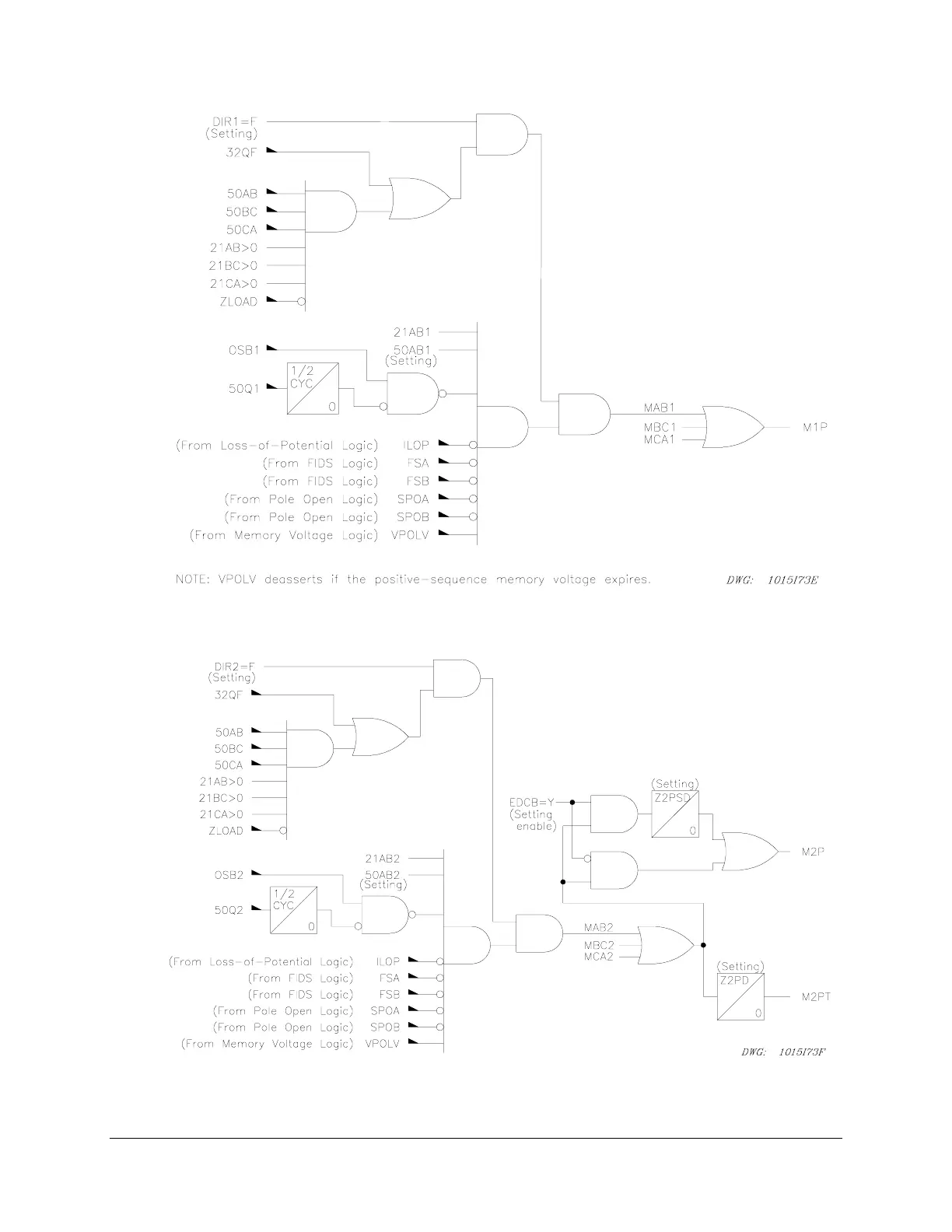
Figure 2.5: Zone 1 Mho Phase Distance Element Logic
Figure 2.6: Zone 2 Mho Phase Distance Element Logic

Table of Contents

Related product manuals