EasyManua.ls Logo

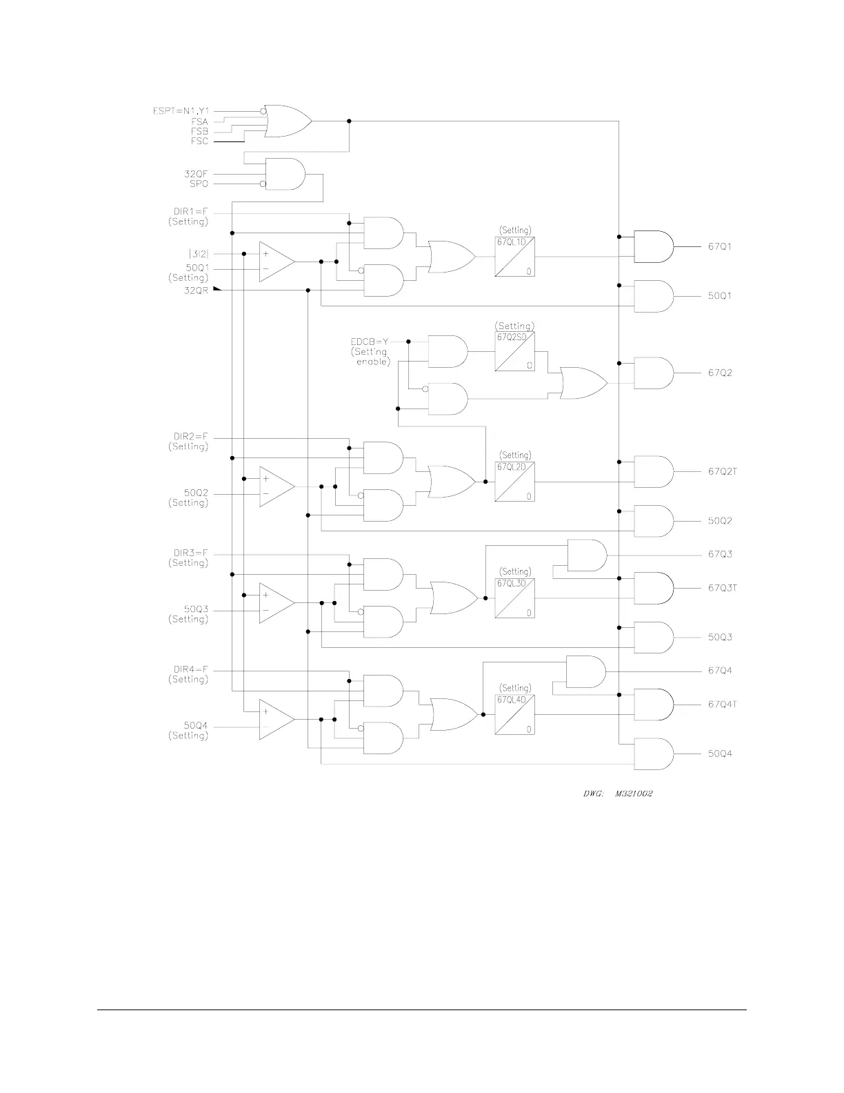
Schweitzer Engineering Laboratories SEL-321 - Figure 2.27: Negative-Sequence Overcurrent Element Logic for Levels 1 - 4

Schweitzer Engineering Laboratories SEL-321
396 pages
Print Icon
To Next Page IconTo Next Page
To Next Page IconTo Next Page
To Previous Page IconTo Previous Page
To Previous Page IconTo Previous Page
Loading...
2-68 Specifications Date Code 20011026
SEL-321/321-1 Instruction Manual
Figure 2.27: Negative-Sequence Overcurrent Element Logic for Levels 1 - 4

Table of Contents

Related product manuals