EasyManua.ls Logo

Selec VFD Series - Standard Wiring Diagram; Default Settings; Potentiometer

Selec VFD Series
69 pages
Print Icon
To Next Page IconTo Next Page
To Next Page IconTo Next Page
To Previous Page IconTo Previous Page
To Previous Page IconTo Previous Page
Loading...
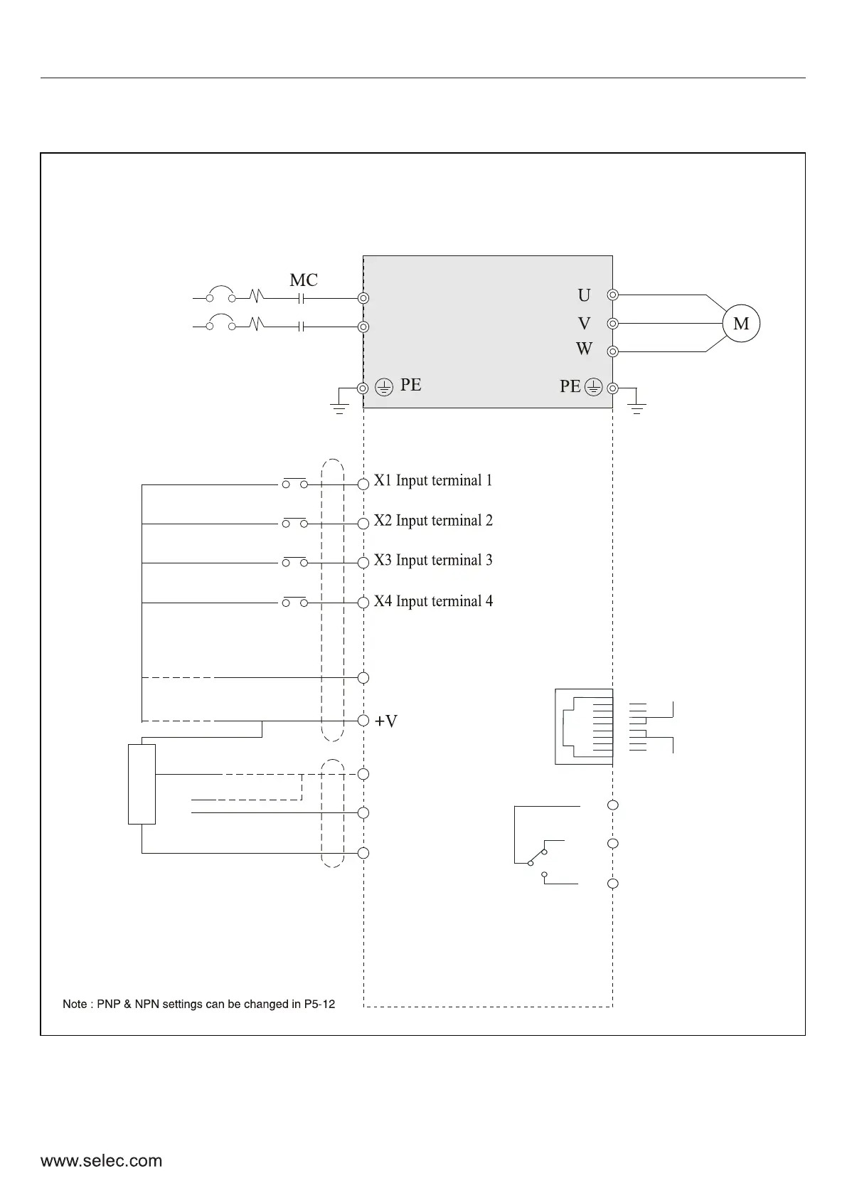
3-2 Standard Wiring Diagram
8
User Manual
Single phase supply source 230V ± 15%
Main Circuit
Control Circuit
GND
For NPN
Forward Jog
External Fault I/P
For PNP(Default)
L L
N N
Forward Rotation
Reverse Rotation
Grounding of Power
Measurments
Motor Grounding
Default Settings
AI2
AI1
GND
Input 0-20mA
Potentiometer
QE
NC
COM
NO
3
5
7
485+
485-
Output of relay
Default setting:
Fault output
1
Potentiometer Input
Multi-functional AI
Input 0-10V

Table of Contents

Related product manuals