EasyManua.ls Logo

Siemens 3RS2 - Using the Digital Device to Implement a Simple 2-Step Controller with Simultaneous Output of an Alarm Value

Siemens 3RS2
120 pages
Print Icon
To Next Page IconTo Next Page
To Next Page IconTo Next Page
To Previous Page IconTo Previous Page
To Previous Page IconTo Previous Page
Loading...
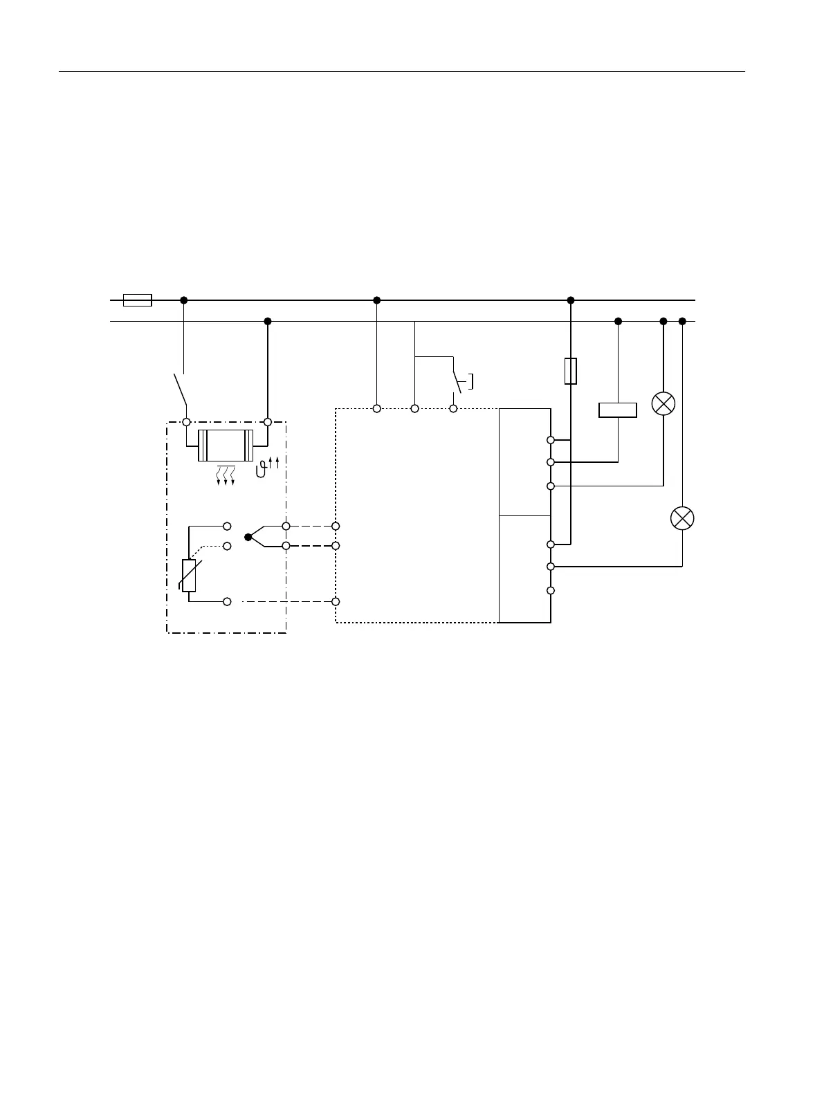
10.2 Using the digital device to implement a simple 2-step controller
with simultaneous output of an alarm value
Example of wiring: Simple two-step control
The digital device can be used to implement a simple two-step controller with simultaneous
output of an alarm value.
$
9/Ù
$<
77
77
7
.
.
91Ù
5HPRWH
UHVHW
&
12
1&
&
12
1&
Figure 10-2 Two-step control (here with sensor expansion module)
Terminals:
Supply voltage: A1, A2
Manual reset: Push-button on Y1, A2 or on display
Resistance sensors: T1, T2, T3
Thermocouples: T+, T-
Output/actuator: 14 N0, 11 C (change-over contact's NO contact)
Signaling output: 12 NC, 11 C (change-over contact's NC contact)
Operating principle:
If the temperature set on the device is undershot, the output relay connects the heating.
Circuit diagrams
10.2 Using the digital device to implement a simple 2-step controller with simultaneous output of an alarm value
3RS2 temperature monitoring relay
72 Equipment Manual, 02/2022, A5E42462552002A/RS-AB/002

Table of Contents

Related product manuals