EasyManua.ls Logo

Siemens SIMATIC IFP2200 - Dimension Drawing Host Unit USB

Siemens SIMATIC IFP2200
120 pages
Print Icon
To Next Page IconTo Next Page
To Next Page IconTo Next Page
To Previous Page IconTo Previous Page
To Previous Page IconTo Previous Page
Loading...
Technical information
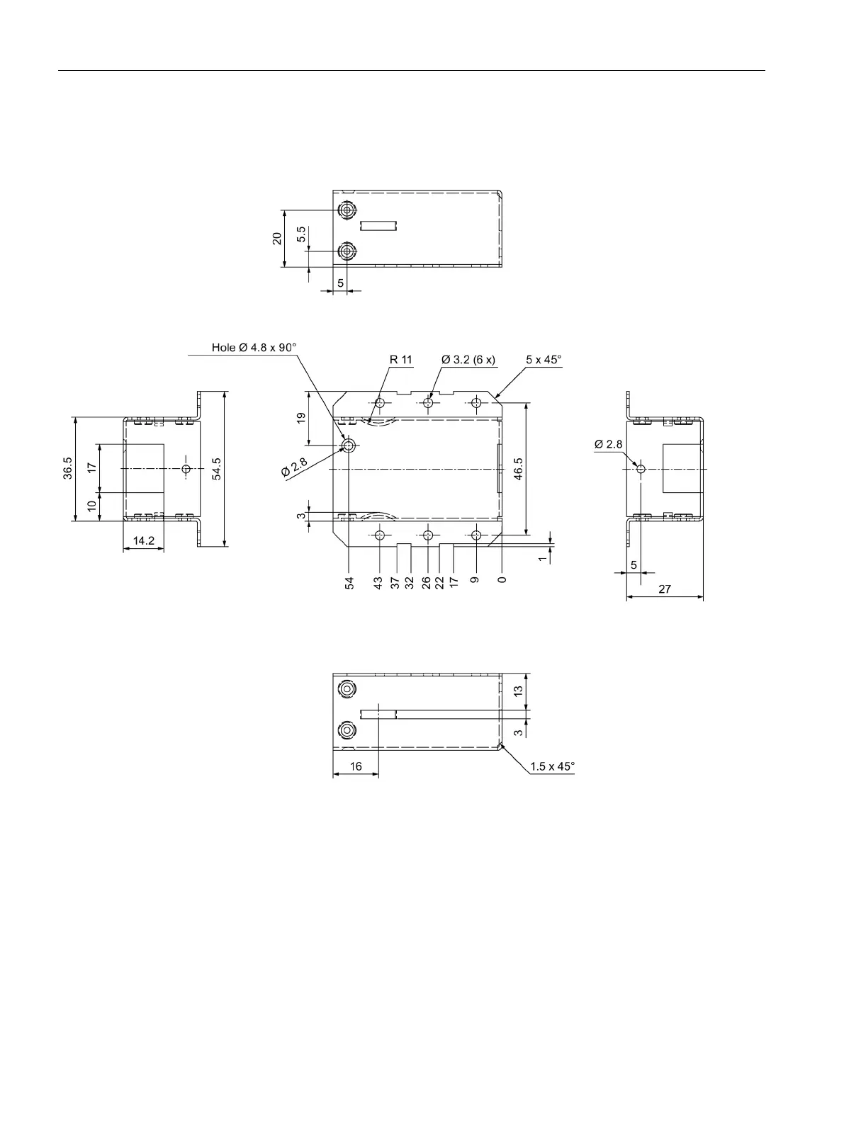
7.3 Dimension drawings
Industrial Flat Panel IFP1500, IFP1900, IFP2200, IFP1900 PRO, IFP2200 PRO, IFP1900 ETH, IFP2200 ETH
96 Operating Instructions, 07/2016, A5E31298376-AF
7.3.10
Dimension drawing Host Unit USB
The Host Unit USB is available as an accessory (DVI/USB cable sets >5 m).

Table of Contents

Other manuals for Siemens SIMATIC IFP2200

Related product manuals