EasyManua.ls Logo

Siemens SIPROTEC 7SS523 V3.2 - Page 135

Siemens SIPROTEC 7SS523 V3.2
430 pages
To Next Page IconTo Next Page
To Next Page IconTo Next Page
To Previous Page IconTo Previous Page
To Previous Page IconTo Previous Page
Loading...
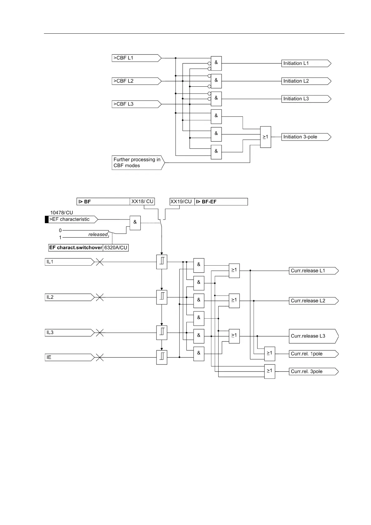
Circuit Breaker Failure Protection
119
7SS52 V4 Manual
C53000-G1176-C182-1
Figure 5-20 Triggering by binary inputs
Figure 5-21 Logic of the current check of the breaker failure protection

Table of Contents

Related product manuals