EasyManua.ls Logo

Siemens SIPROTEC 7SS523 V3.2 - Page 136

Siemens SIPROTEC 7SS523 V3.2
430 pages
To Next Page IconTo Next Page
To Next Page IconTo Next Page
To Previous Page IconTo Previous Page
To Previous Page IconTo Previous Page
Loading...
Functions
120
7SS52 V4 Manual
C53000-G1176-C182-1
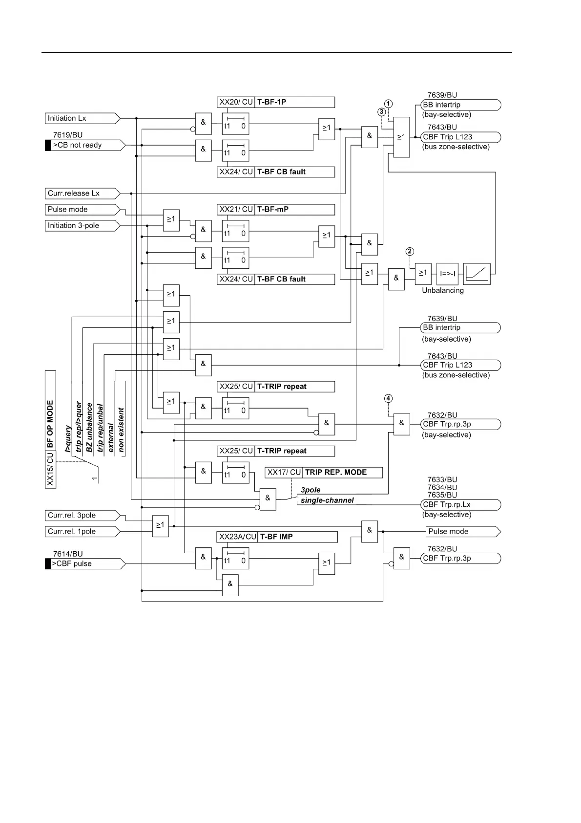
Figure 5-22 Breaker failure protection logic - operating modes
Continuation for (1) and (2) see Figure 5-45, page 199
Continuation for (3) and (4) see
Figure 5-25, page 124

Table of Contents

Related product manuals