EasyManua.ls Logo

Siemens SIPROTEC 7SS523 V3.2 - Page 215

Siemens SIPROTEC 7SS523 V3.2
430 pages
To Next Page IconTo Next Page
To Next Page IconTo Next Page
To Previous Page IconTo Previous Page
To Previous Page IconTo Previous Page
Loading...
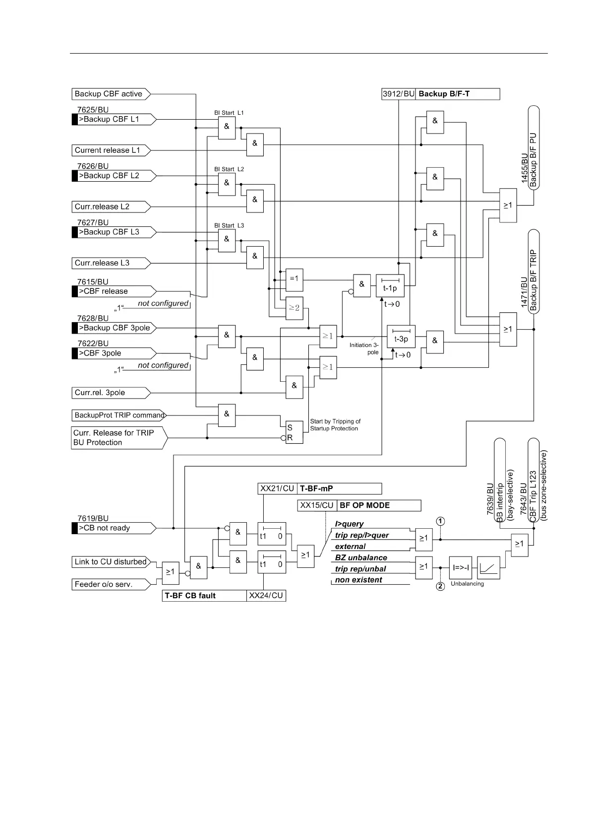
Backup Breaker Failure Protection in the Bay Unit
199
7SS52 V4 Manual
C53000-G1176-C182-1
Figure 5-45 CBF protection function of the backup protection
Continuation for (1) and (2) see Figure 5-22, page 120

Table of Contents

Related product manuals