EasyManua.ls Logo

Siemens SIPROTEC 7SS523 V3.2 - Page 353

Siemens SIPROTEC 7SS523 V3.2
430 pages
To Next Page IconTo Next Page
To Next Page IconTo Next Page
To Previous Page IconTo Previous Page
To Previous Page IconTo Previous Page
Loading...
Connection Diagrams
337
7SS52 V4 Manual
C53000-G1176-C182-1
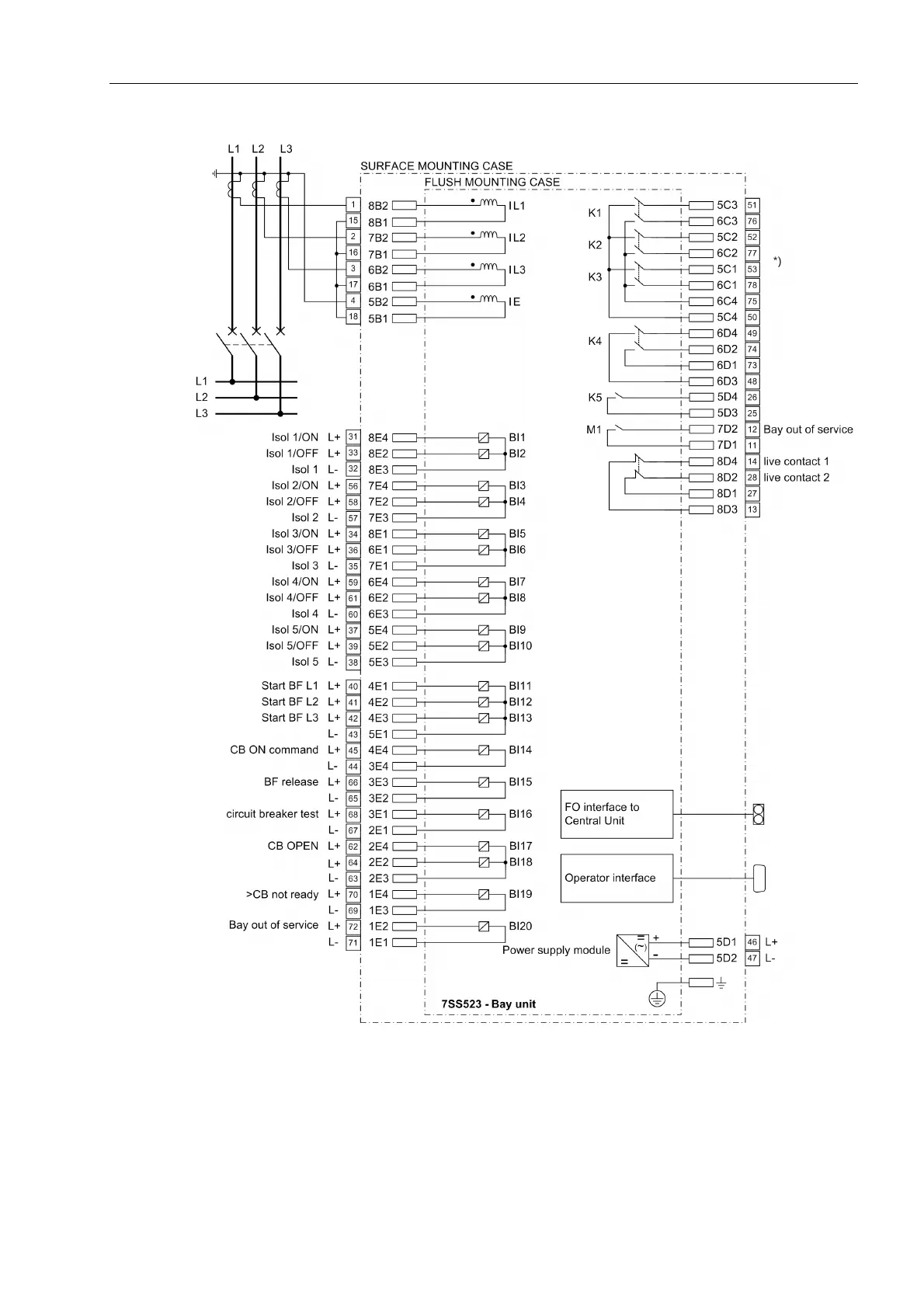
Figure A-5 Connection diagram bay unit 7SS523
*) Table A-28
“Marshalling TRIP
RELAY” show the default
assignment of relay K1 - K5.
Legend:
BI: Binary Input
K: Trip relay
CB: Circuit breaker
M: Alarm reley
BF: Breaker failure

Table of Contents

Related product manuals