EasyManua.ls Logo

SolarMax MT Series - Block Circuit Diagram

SolarMax MT Series
60 pages
Print Icon
To Next Page IconTo Next Page
To Next Page IconTo Next Page
To Previous Page IconTo Previous Page
To Previous Page IconTo Previous Page
Loading...
12
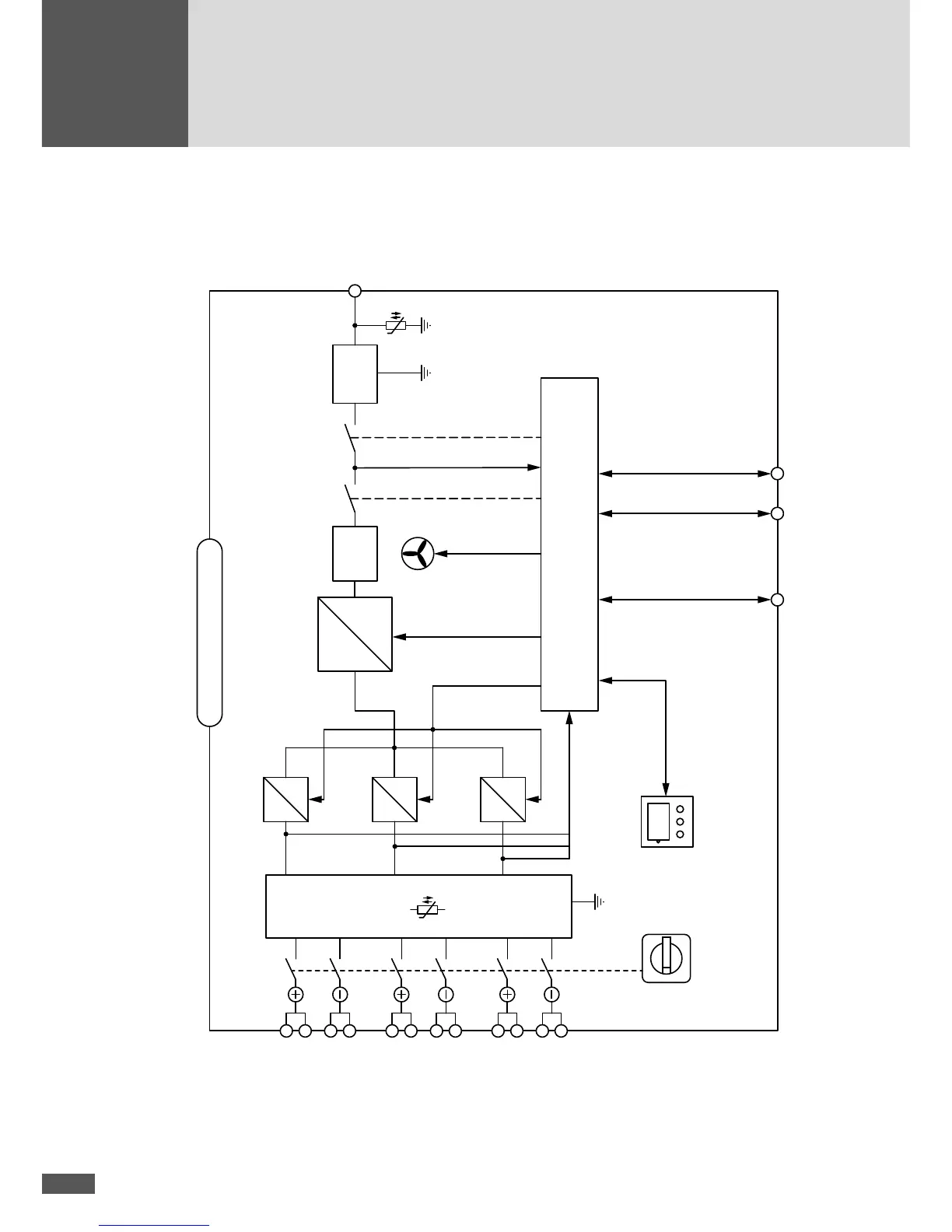
3.3 Block circuit diagram
I
0
U
U
Status signalling contact
Ethernet / RS485
DC measurement
AC measurement
Fan
RS485
Monitoring external input
Inverter control
Booster control
Inverter
LC lter
Booster 2
Booster 1
SolarMax MT series
DC
DC
AC
K2K1
DC
DC
DC
Booster 3
DC
DC
Control unit
Graphics display
* Tracker 3 only SolarMax 13MT3 / 15MT3
DC disconnector Q1
DC input
Tracker 1
DC input
Tracker 2
DC input
Tracker 3 *
AC output
EMC lter
EMC lter

Table of Contents

Related product manuals