EasyManua.ls Logo

Sony DXC-970MD - Page 127

Sony DXC-970MD
Print Icon
To Next Page IconTo Next Page
To Next Page IconTo Next Page
To Previous Page IconTo Previous Page
To Previous Page IconTo Previous Page
Loading...
127
VIDEO OUT
GEN LOCK
DC IN/
REMOTE
CCU
FLASH
LENS
MENU FUNCTION DATA
UP
WHITE
BARS
DOWN
RGB/SYNC
REMOTE
1
2
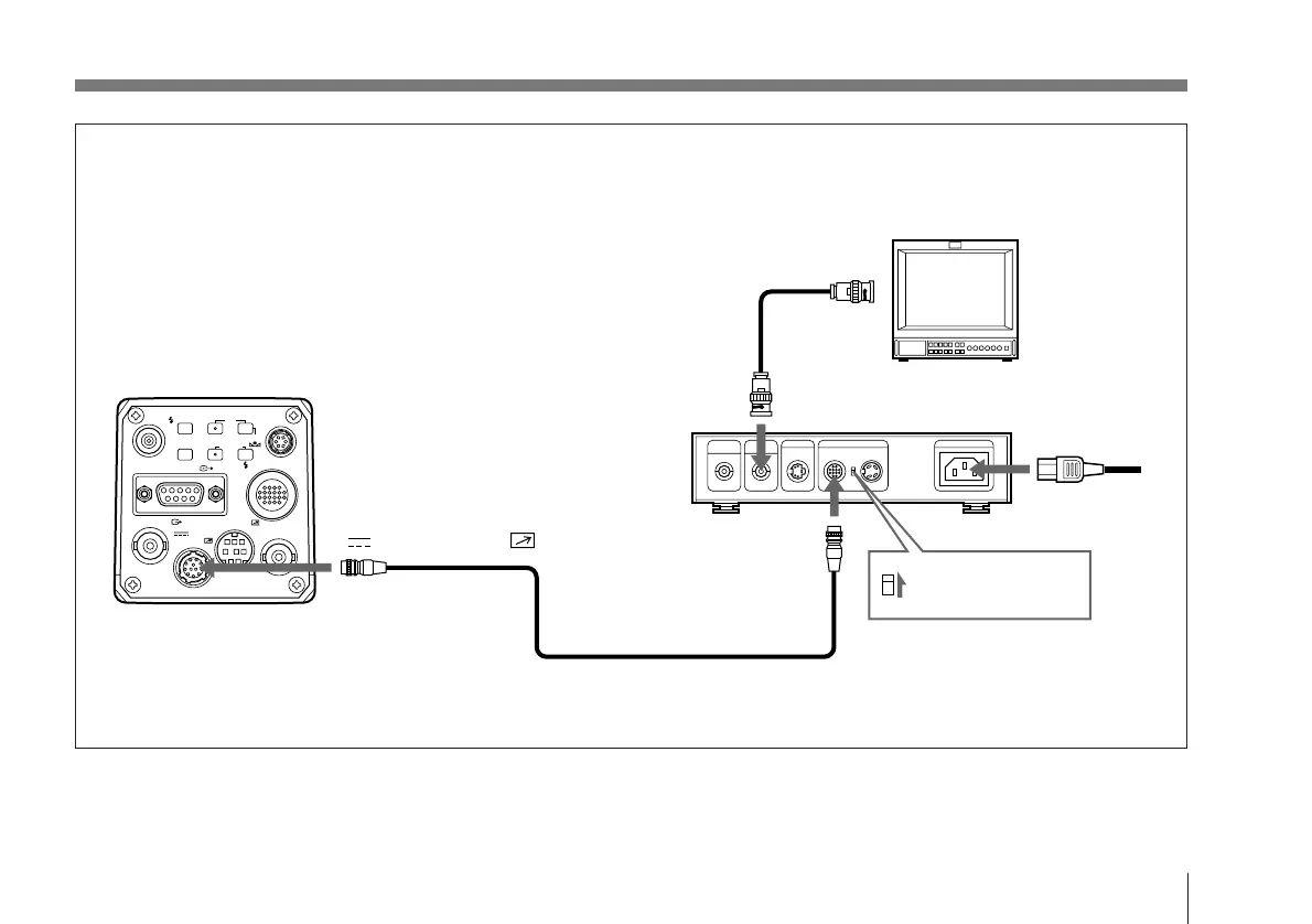
Connexion à l’aide d’un câble CCMC
Câble de caméra CCMC-12P02/05/10/25
DC IN/REMOTE
Caméra vidéo DXC-970MD
AC IN
Moniteur vidéo, magnétoscope, etc.
Entrée vidéo composite
(VIDEO IN)
Câble coaxial
75 ohms
VIDEO OUT
Connecteur
CAMERA (12
broches)
Régler le sélecteur
MODE sur la position
“1”
Cordon
d’alimentation
Adaptateur de caméra CMA-D2MD
Installation à l’aide d’un câble CCMC (alimentation des caméras et transmission des signaux vidéo vers l’adaptateur de caméra)

Table of Contents

Related product manuals