EasyManua.ls Logo

Sony DXC-970MD - コンポジット入力端子を持つ機器の接続

Sony DXC-970MD
Print Icon
To Next Page IconTo Next Page
To Next Page IconTo Next Page
To Previous Page IconTo Previous Page
To Previous Page IconTo Previous Page
Loading...
20
CCDC
ケーブルを使って電源のみを供給するシステム
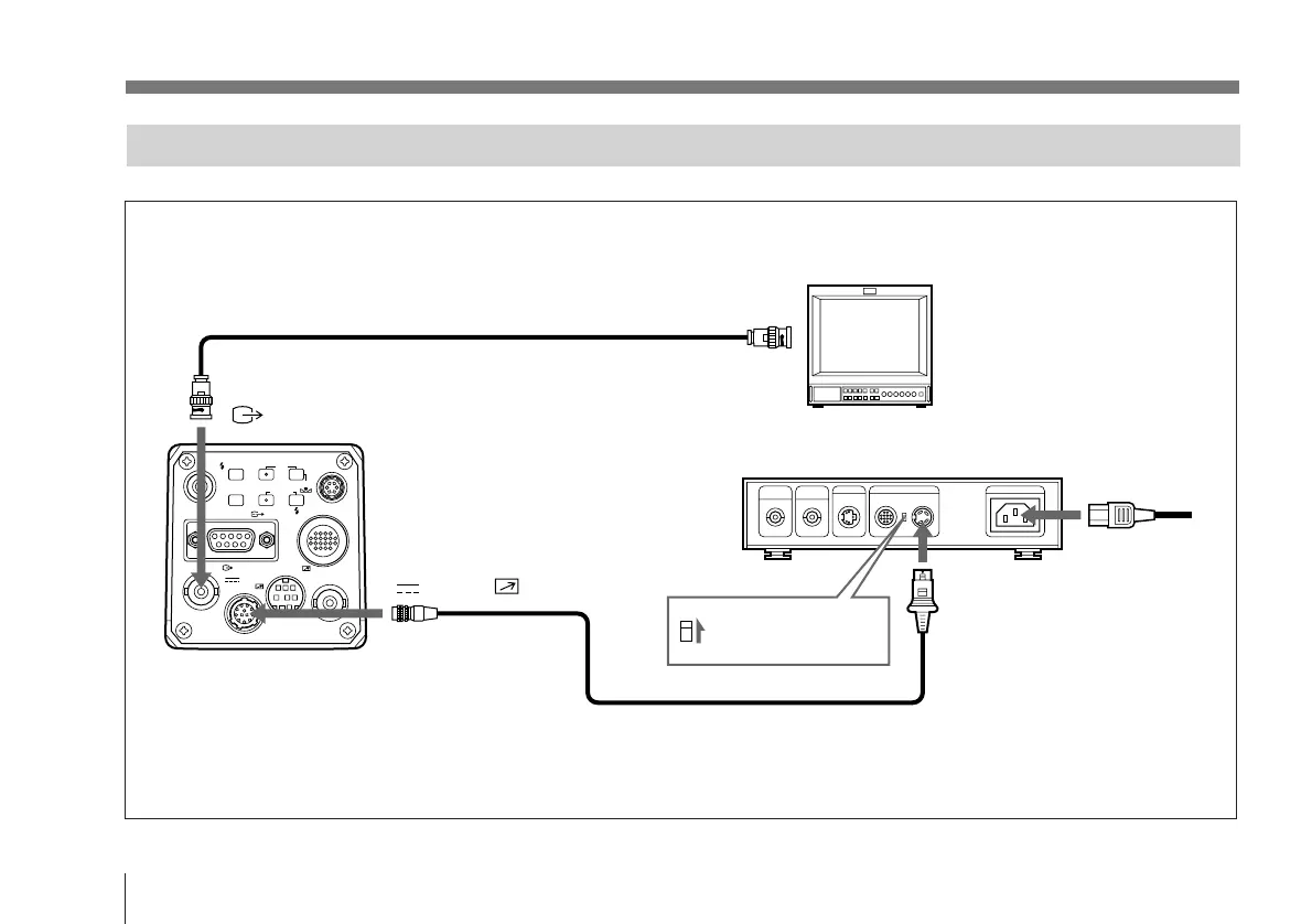
コンポジット入力端子を持つ機器の接続
CCDC
ケーブルを使用する場合
コンポジットビデオ入力端子
(VIDEOIN)
VIDEO OUT
GEN LOCK
DC IN/
REMOTE
CCU
FLASH
LENS
MENU FUNCTION DATA
UP
WHITE
BARS
DOWN
RGB/SYNC
REMOTE
1
2
MODEスイッチは
「1」の位置に
CCDC-5/10/25/50A/100Aケーブル
DCIN/ REMOTE
本機
VIDEOOUT
75Ω同軸ケーブル
ビデオモニター、VTRなど
カメラアダプターCMA-D2MD
電源コード
CAMERA
(4ピン)
基本システムの接続

Table of Contents

Related product manuals