EasyManua.ls Logo

Sony DXC-970MD - Page 21

Sony DXC-970MD
Print Icon
To Next Page IconTo Next Page
To Next Page IconTo Next Page
To Previous Page IconTo Previous Page
To Previous Page IconTo Previous Page
Loading...
21
VIDEO OUT
GEN LOCK
DC IN/
REMOTE
CCU
FLASH
LENS
MENU FUNCTION DATA
UP
WHITE
BARS
DOWN
RGB/SYNC
REMOTE
1
2
CCMC
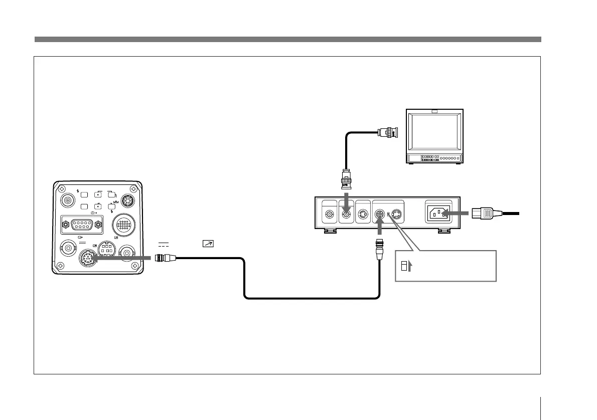
ケーブルを使って電源を供給し、同時にビデオ信号を取り出すシステム
CCMC
ケーブルを使用する場合
本機
CCMC-12P02/05/10/25ケーブル
MODEスイッチは
「1」の位置に
電源コード
CAMERA
(12ピン)
ビデオモニター、VTRなど
VIDEOOUT
カメラアダプター
CMA-D2MD
75Ω同軸ケーブル
コンポジットビデオ入力端子
(VIDEOIN)
DCIN/ REMOTE

Table of Contents

Related product manuals