EasyManua.ls Logo

Sony DXC-970MD - Composite Video Connections

Sony DXC-970MD
Print Icon
To Next Page IconTo Next Page
To Next Page IconTo Next Page
To Previous Page IconTo Previous Page
To Previous Page IconTo Previous Page
Loading...
74
VIDEO OUT
GEN LOCK
DC IN/
REMOTE
CCU
FLASH
LENS
MENU FUNCTION DATA
UP
WHITE
BARS
DOWN
RGB/SYNC
REMOTE
1
2
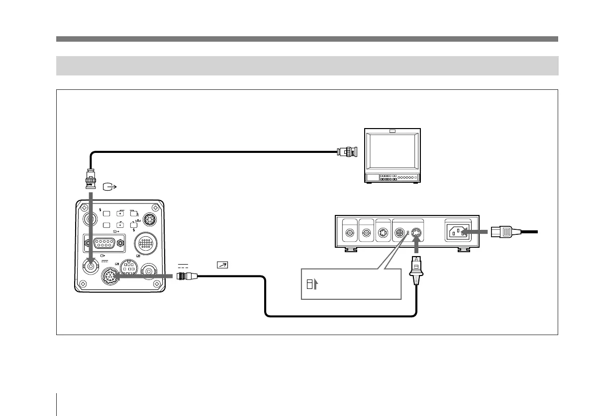
DXC-970MD video camera
CMA-D2MD camera adaptor
Set the MODE selector
to the “1” position.
75 coaxial cable
Video monitor, VCR, etc.
DC IN/ REMOTE
AC IN
CAMERA (4-pin)
Connecting using a CCDC cable
CCDC-5/10/25/50A/100A cable
Connecting to Video Equipment With Composite Video Input Connectors
VIDEO OUT
Power
cord
Composite video input
(VIDEO IN)
Setup using a CCDC cable (for supplying power only)
Basic System Connection

Table of Contents

Related product manuals