EasyManua.ls Logo

Sony DXC-970MD - CCMC Cable Connections

Sony DXC-970MD
Print Icon
To Next Page IconTo Next Page
To Next Page IconTo Next Page
To Previous Page IconTo Previous Page
To Previous Page IconTo Previous Page
Loading...
75
VIDEO OUT
GEN LOCK
DC IN/
REMOTE
CCU
FLASH
LENS
MENU FUNCTION DATA
UP
WHITE
BARS
DOWN
RGB/SYNC
REMOTE
1
2
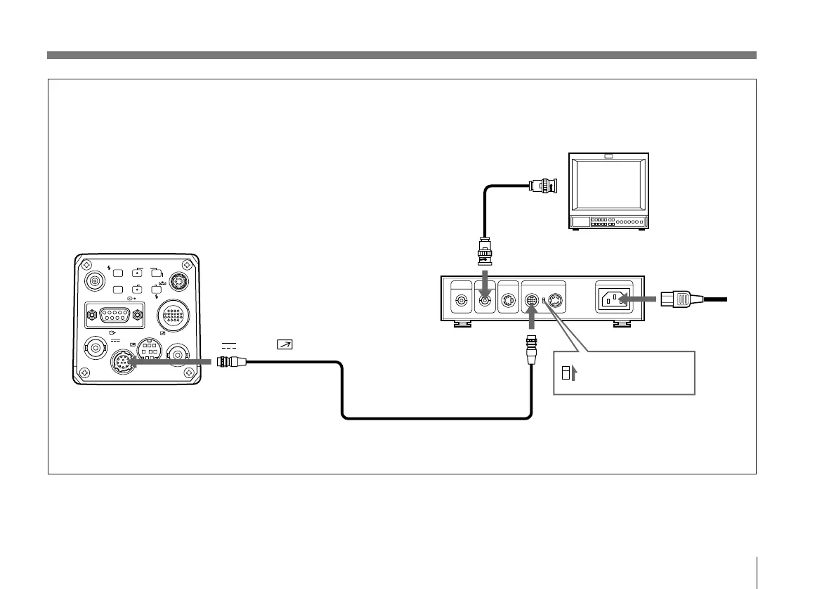
Connecting using a CCMC cable
Camera cable CCMC-12P02/05/10/25
Set the MODE selector
to the “1” position.
Setup using a CCMC cable (for supplying power to cameras and video signals to the camera adapter)
DC IN/ REMOTE
DXC-970MD video camera
CMA-D2MD camera adaptor
AC IN
CAMERA
connector
(12-pin)
Video monitor, VCR, etc.
Power
cord
Composite video input
(VIDEO IN)
VIDEO OUT
75 coaxial cable

Table of Contents

Related product manuals