EasyManua.ls Logo

Sony HCD-AZ33D - Block Diagram - AUDIO Section

Sony HCD-AZ33D
109 pages
Print Icon
To Next Page IconTo Next Page
To Next Page IconTo Next Page
To Previous Page IconTo Previous Page
To Previous Page IconTo Previous Page
Loading...
HCD-AZ33D
HCD-AZ33D
3131
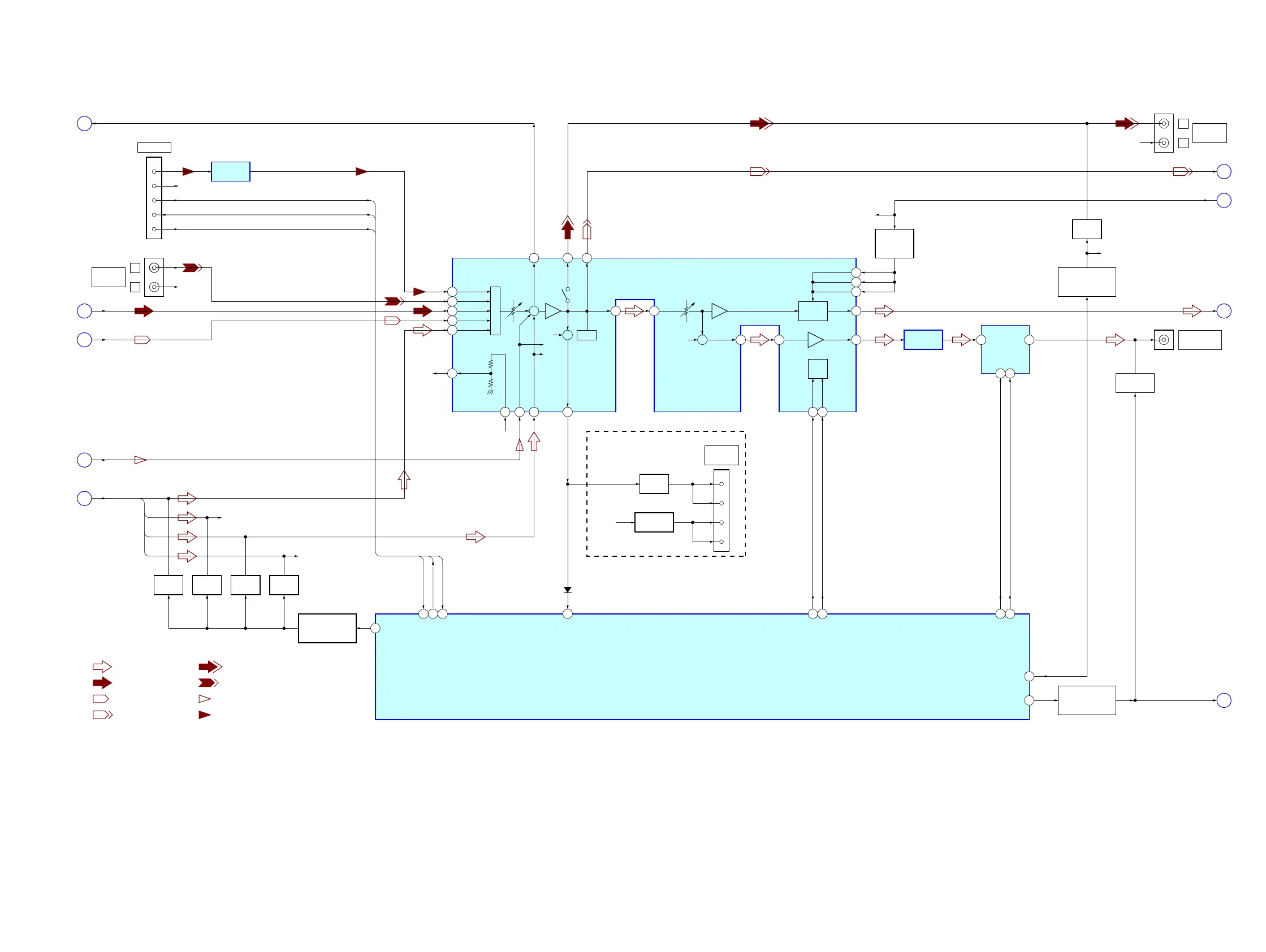
7-3. BLOCK DIAGRAM - AUDIO Section -
B
FL, FR, LT, RT
MUTING
Q270
MUTING
Q271
MUTING
Q272
MUTING
Q273
F
PB-L
H
MIC SIGNAL
RT
FL
FR
LT
R-CH
R-CH
64
65
E
ST-L
D
MUSIC L+R
R-CH
J101 (1/2)
CN204
R-CH
VIDEO/SAT
IN
L
R
62
61
SELECTOR
TONE
63 42 41 37
7
59 56 53
52 51
+
R-CH
+
R-CH
BASS
BOOST
31 30 29
40
39
38
MUTING CONTROL
SWITCH
Q263
P_AMPIC_DATA
71
P_AMPIC_CLK
72
P_A_MUTE
77
P_VACS
89
J701
2
3
1
4
BT LED/DMP DET
97
M61545A DATA
21
M61545A CLK
22
R-CH
R-CH
FEED BACK
SWITCH
Q101
R-CH
I/F
MCU
3435
P_LINE_MUTING
66
P_RECOUT_MUTING
46
MUTING
Q141
MUTING
Q893, 894
MUTING CONTROL
SWITCH
Q171
MUTING CONTROL
SWITCH
Q30
FL
K
LINE_MUTE
L
REC-L
G
FEED BACK
J
J101 (2/2)
R-CH
VIDEO/SAT
OUT
SUBWOOFER
OUT
L
R
J893
SYSTEM CONTROLLER
IC401 (3/5)
INPUT SELECT SWITCH,TONE CONTROL,
ELECTRICAL VOLUME, BASS BOOST AMP
IC101 (2/2)
• SIGNAL PATH
: REC
: VIDEO/SAT OUT
: VIDEO/SAT IN
: TAPE PLAY
: TUNER (FM/AM)
: AUDIO
R-ch is omitted due to same as L-ch.
: MIC INPUT
: DMPORT INPUT
DMPORT
13
14
1
Lch+
Rch+
DET
BT UART TXD
35
BT UART RXD
36
6
5
TXD
RXD
A+9V
33
74
A+4.5V
D181
R-CH
BT UART RXD
BT UART TXD
DMP DET
LINE AMP
IC202
IND2
INC2
INB2
TAPE_IN2
INA2
REF_OUT
LPFIN
VCC
MIC
DPL_IN2
SAOUT2
DATA
CLOCK
RECA2
SAOUT1
RECB2
TONE_
OUT2
SWOUT LPFOUT
OUT2
BB12
BB22
BB32
VOL_
IN2
+
LINE AMP
IC882
1
VIN
2
VOUT
54
DATA
CLK
D-LIGHT
SYNC OUT
BUFFER
Q702
REGULATOR
Q701
DLS+9V
DMP DET
BT UART TXD
BT UART RXD
ELECTRICAL
VOLUME
IC881
(EXCEPT AEP, Australian)
(Page 30)
(Page 30)
(Page 30)
(Page 30)
(Page 32)
(Page 32)
(Page 32)
(Page 30)
(Page 29)

Table of Contents

Related product manuals