EasyManua.ls Logo

Sony HCD-AZ33D - Schematic Diagram - VIDEO Board

Sony HCD-AZ33D
109 pages
Print Icon
To Next Page IconTo Next Page
To Next Page IconTo Next Page
To Previous Page IconTo Previous Page
To Previous Page IconTo Previous Page
Loading...
HCD-AZ33D
HCD-AZ33D
4343
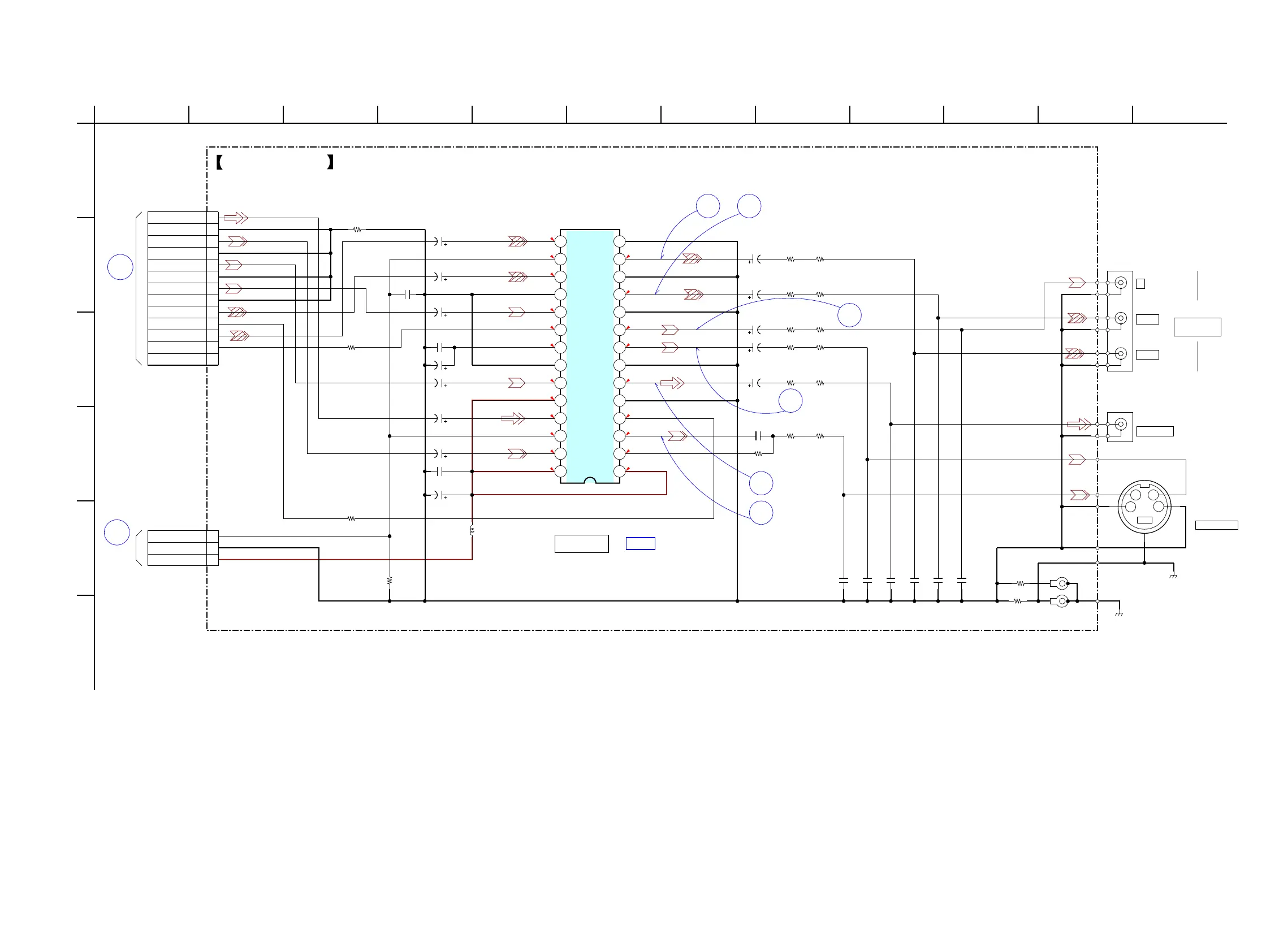
7-13. SCHEMATIC DIAGRAM - VIDEO Board -
• See page 35 for Waveforms. • See page 65 for IC Block Diagrams.
IC B/D
51
52
53
54
55
56
BOARD
MAIN
(3/5)
M
NO955
BOARD
DMB17
(2/4)
B
CN303
0.8 (2.5)
1.1 (2.5)
1.2 (2.1)
0.9 (2.2)
2.9 (2.2)
0
0
5
2.6
(3.1) 0
2.6
(1.6) 0.5
3.2
2.5
(1.6) 0.3
5
(1.6) 0.2
(3.1) 0
2.6
5
0.8 (2.5)
0.1
C1204
0.1
C1216
50V
1
C1202
50V1
C1203
50V
1
C1206
50V
1
C1207
50V
1
C1208
50V22
C1205
22p
C1219
22p
C1218
22p
C1217
22p
C1224
22p
C1223
100
R1202
100
R1209
10k
R1210
10k
R1203
0
FB1202
0
FB1203
0
FB1201
0
FB1206
0
FB1210
0FB1204
75
R1204
75
R1205
75
R1206
75
R1207
75
R1208
75
R1211
E
EP1202
E
EP1201
13P
CN1201
VCC1
C IN
MUTE1
CVBS IN
YC MIX
Y IN
GND1
BIAS
I/P
CY IN
CLP
CB IN
MUTE2
CR IN
J1202
3
4
1
2
6P
J1201
J1203
0.1
C1209
10uH
L1201
0
FB1205
22p
C1221
1
2
3
3P
CN1203
0.1
C1227
VIDEO BOARD
VIDEO AMP, 75Ω
DRIVER
IC1201
S VIDEO OUT
VIDEO OUT
(CHASSIS)
(CHASSIS)
Y
P
B
/C
B
P
R
/C
R
COMPONENT
VIDEO OUT
A
1012
B
11
C
78
F
9643
D
5
E
12
1
2
3
4
5
6
7
8
9
10
11
12
13
RGBSEL
DSEL/DISCEXT
Cr/R
WIDE
Cb/B
D-GND
Y/G
D-GND
Y
D-GND
C
D-GND
V
V+5V
V-GND
VMUTE
50V
1
C1201
7
6
5
4
3
2
1
13
12
11
10
8
9
14
GND2
CR OUT
GND2
CB OUT
GND2
CY OUT
Y OUT
GND2
CVBS OUT
S2
S1
C OUT
S-DC OUT
VCC2
28
27
26
25
24
23
22
21
20
16
17
18
19
15
MM1758AFBE
IC1201
6.3V
1000
C1211
6.3V
1000
C1212
6.3V
1000
C1213
6.3V
1000
C1214
6.3V
1000
C1215
0
JR1220
0
JR1225
10V
100
C1210
(Page 39)
(Page 49)

Table of Contents

Related product manuals