EasyManua.ls Logo

Sony HCD-AZ33D - Schematic Diagram - DVD SERVO Section (4;4)

Sony HCD-AZ33D
109 pages
Print Icon
To Next Page IconTo Next Page
To Next Page IconTo Next Page
To Previous Page IconTo Previous Page
To Previous Page IconTo Previous Page
Loading...
HCD-AZ33D
HCD-AZ33D
4141
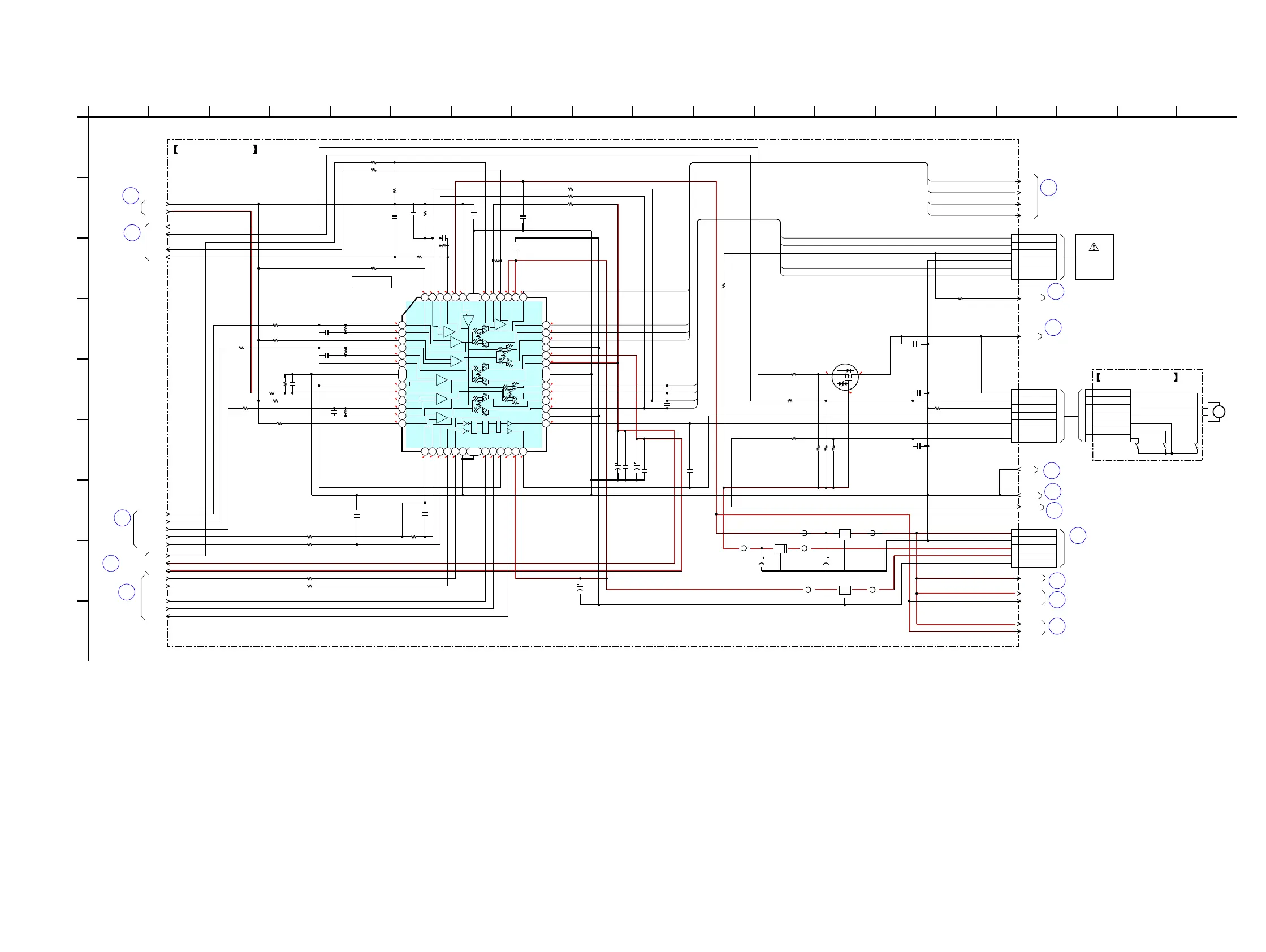
7-11. SCHEMATIC DIAGRAM - DVD SERVO Section (4/4) -
DMB17
BOARD
4
(2/4)
3
BOARD
NO953
(3/4)
MAIN
BOARD
(1/4)
A
2
BOARD
DMB17
DMB17
(3/5)
15
BOARD
(2/4)
DMB17
19
BOARD
(2/4)
DMB17
34
BOARD
(3/4)
DMB17
20
BOARD
(2/4)
DMB17
27
BOARD
(2/4)
DMB17
BOARD
DMB17
(2/4)
28
10
BOARD
(1/4)
DMB17
BOARD
36
DMB17
(3/4)
BOARD
26
DMB17
(2/4)
BOARD
(3/4)
35
DMB17
BOARD
DMB17
(3/4)
32
8.9
8.9
1.7
4.3
3
3
1.4
4.9
0.2
2
2
1.4
0.3
4.3
4.3
4.3
5
3.6
4.3
5.5
4.3
3.2
4.3
3.3
0.3
1.4
1.4
1.4
1.4
1.4
3.3
3.3
2.3
1.4
1.4
1.4
1.4
1.4
1.1
0
3.3
3.3
3.2
3.3
3.2
3.3
8.9
4.3
1
2
3
4
5
6
6P
CN201
SP-
SP+
LIMIT
(GND)LIMIT
SL-
SL+
10k
R205
2.7k
R207
0.01C208
12k
R216
47k
R210
1.2k
R204
6.8k
R213
33k
R209
12k
R215
15k
R214
10k
R206
10k
R212
33k
R208
0.01
C203
220pC206
220p
C205
0.033
C209
4700p
C233
10k
R220
56k
R221
100k
R223
100kR225
56k
R226
0.033
C211
0.01
C212
1000p
C214
18k
R232
15k
R231
82k
R230
10k
R234
33k
R233
0.01
C215
50V
10
C218
50V
10
C220
0.01
C224
0.01
C219
0.1
C221
0.1
C222
C223
0.1
16V
47
C217
0.01
C213
27k
R219
10k
R224
R222
33k
R227
0
R228
0
0.01
C210
C225
1000p
C2501
1000p
C226
1000p
R2501 4.7k
R239 4.7k
R238
4.7k
R2502
1k
R236
1k
R237
1k
R243 100
IOP
VREFO
FOO
TRO
RF+3.3V
FMO
DMO
TROPENPWM
FWD
REV
MUTE123
MUTE
GND
4.7k
R246
1k
R247
1
2
3
4
5
6
7
8
9
10
11
12
13
14
15 16
17
18
19
20
21
22 23
24
25
26
27
28
29
30
31
32
33
34
35
36
37
3839
40
41
42
43
44
4546
47
48
FIN
FIN
FIN
FIN
FAN8036L
IC201
IN1-
OUT1
IN2+
IN2-
OUT2
RES1
RES2
REGCTL
IN3+
IN3-
OUT3
IN4+
IN4-
OUT4
CTL
FWD
REV
SGND
MUTE
123
MUTE4
PS
TSD_M
PVCC2
DO5-
DO5+
PGND2
DO4-
DO4+
DO3-
DO3+
REGO2
REGO1
PGND1
DO2-
DO2+
DO1-
DO1+
PVCC1
REGVCC
OPOUT2
OPIN2-
OPIN2+
VREF
SVCC
OPOUT1
OPIN1-
OPIN1+
IN1+
GND
GND
GND
GND
1
2
3
4
5
6
7
7P
CN203
CN001
TRG_SW
NC
LDM+
LDM-
GND
CKSW1
OCSW1
1
2
3
4
5
6
7
TRG_SW
NC
LDM+
LDM-
GND
CKSW1
OCSW1
LIMITSW
OCSW
CKSW
OCSW1
REG01
REG02
TSD_M
IOPMON
SPFG
FCS-
FCS+
TRK+
TRK-
TRG-SW
S
2SK2158-T2B
SWITCH
Q2001
16V
47
C403
SW+3.3V
EMI
G
FL403
16V
47
C402
SW+3.3V
FB401
SW+5V
1
2
3
4
5
5P
CN401
SW+5V
GND
SW+3.3V
SW+9V
MGND
FB406
EMI
G
FL402
FB405
FB404
SW+5V
EMI
G
FL401
FB402
FB403
SW+5V
GND
FCS-
FCS+
TRK+
TRK-
FCS-
FCS+
TRK+
TRK-
SL-
SL+
SP-
SP+
SP-
SP+
SL-
SL+
-
-
D
W
-
+
+
+
D+
-
-
-
S
-
-
-
M
+
+
+
C
+
+
S
(4/4)
DMB17 BOARD
MS-214 BOARD
IC201
FOCUS/TRACKING COIL DRIVING
SLDE/SPINDLE/LODING MOTOR DRIVE
OPTICAL
PICK-UP
BLOCK
(KHM-313CAB)
(2/2)
A
1012
H
B
1311
C
78
I
14
F
964 1815 163
G
D
5 17 19
E
12
S002
S001
S003
M001
7P
(DISC IN/OUT)
(CHUCKING)
(TRIGGER)
(LOADING)
M
(Page 40)
(Page 39)
(Page 40)
(Page 38)
(Page 40)
(Page 39)
(Page 49)
(Page 38)
(Page 39)
(Page 40)
(Page 39)
(Page 39)
(Page 39)
(Page 40)
(Page 39)

Table of Contents

Related product manuals