EasyManua.ls Logo

Sony HCD-AZ33D - Schematic Diagram - TOUCH SENOR Board

Sony HCD-AZ33D
109 pages
Print Icon
To Next Page IconTo Next Page
To Next Page IconTo Next Page
To Previous Page IconTo Previous Page
To Previous Page IconTo Previous Page
Loading...
HCD-AZ33D
HCD-AZ33D
6363
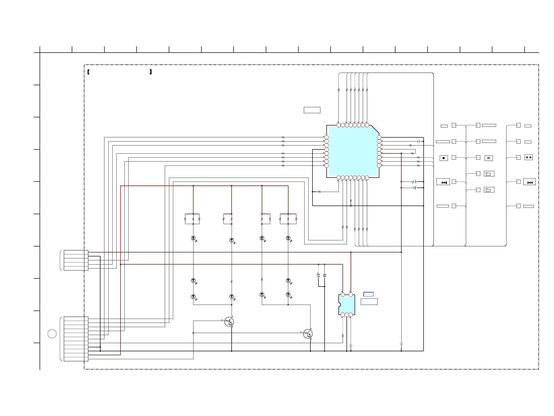
7-33. SCHEMATIC DIAGRAM - TOUCH SENOR Board -
• See page 65 for IC Block Diagrams. • See page 72 for IC Pin Function Description.
(2/ 5)
(NC)
V
CN111
MAIN
BOARD
IC B/D
0.2
2.8
0
0.2
2.8
0
5
8.7
3.2
1.3
0.1
0.1
0
0
0
0.1
0
0
2
0.6
0
0
0
0
0
0.9
1.2
0.1
0
2.8
0.4
2.7
0.9
0.1
5
5
0
0.1
0.1
470
R001
470
R002
470
R003
470
R004
470R005
470
R006
470
R007
470
R008
470
R009
470
R010
470
R011
470
R012
470
R013
470
R014
470
R015
SML-A12UT
D001
SML-A12UT
D002
SML-A12UT
D003
SML-A12UT
D004
SML-A12UT
D006
SML-A12UT
D007
SML-A12UT
D009
SML-A12UT
D010
SML-A12UT
D011
SML-A12UT
D012
470
R034
470
R032
470
R031
470
R037
470
R038
470
R040
470
R041
100
R017
100
R018
100
R023
100
R022
1
2
3
4
5
6
7
8
9
10
11
11P
CN005
DRIVE0
DRIVE1
DRIVE2
KEYOUT2
KEYOUT1
KEYOUT0
TS-POWER
LED-GND
LED-GND
LED+9V
BACKLIGHT-ON
1
2
3
4
5
5P
CN004
100
R025
0.1
C008
100
R019
100R020
100
R021
100
R024
470
R030
470
R033
470
R039
12345678
9
10
11
12
13
14
15
16
17 18 19 20 21 22 23 24
25
26
27
28
29
30
31
32
KEYOUT0
KEYOUT1
SCLK
VSS
SDATA
TXD
KEYOUT2
MODE
XRES
CLK
CS
MODEL1
KEY14
KEY12
KEY10
KEY8
100
R016
10kR044
1000p
C009
0
R047
0.22
C007
0.1
C006
54
321
TK11150CSCL-G
IC003
Control
GND
NOISE
VOUT
VIN
2.2
C010
35V
4.7
C011
0
R048
0
R049
35V
C002
4.7
10k
R042
KEY15
KEY13
KEY11
KEY9
KEY7
KEY5
KEY3KEY8
KEY10
KEY12
KEY14
KEY9
KEY11
KEY13
KEY15
KEY14
KEY2
KEY1
KEY3
KEY5
KEY7
KEY4
KEY6
KEY10
KEY12
KEY8KEY2
KEY4
KEY6
KEY1
PRESET +
TOUCH SENSOR BOARD
IC003
+5V REGULATOR
IC004
TAP E
JL009
VIDEO/SAT
JL011
JL013
JL015
JL014
VOLUME+
TUNER/BAND
JL002
JL001
DMPORT
JL003
+
-
JL005
JL007
JL004
DVD
JL006
USB
JL008
JL012
VOLUME-
PRESET -
JL010
D001-004,
D006, 007,
D009-012
TOUCH SENSOR
BACK LIGHT
A
1012
J
H
B
1311
C
78
I
14
F
964 15
16
3
G
D
5
E
12
RT1N237M-TP-1
Q001
LED DRIVE
RT1N237M-TP-1
Q002
LED DRIVE
CP6683AMT
IC004
TOUCH SENSOR DRIVE
KEY3
KEY5
KEY7
KEY9
KEY11
KEY13
Rb
KEY15
KEY6
KEY4
KEY2
VDD
MODEL0
KEY1
Cmod
VSS
VDD
GND
TXD
SCLK
SDATA
()
(Page 48)

Table of Contents

Related product manuals