EasyManua.ls Logo

Sony HCD-M90 - Block Diagrams - DVD Main Section (2;2); DVD Main Section Signal Paths (2;2)

Sony HCD-M90
134 pages
Print Icon
To Next Page IconTo Next Page
To Next Page IconTo Next Page
To Previous Page IconTo Previous Page
To Previous Page IconTo Previous Page
Loading...
HCD-M90
3131
: DVD/CD PLAY (AUDIO)
: DVD/CD PLAY (VIDEO)
: DVD/CD PLAY (DIGITAL OUT)
10
9
13
12
15
7
4
2
8 15
13
3
10
7
1481
53
54
14
1
2
1
3
4
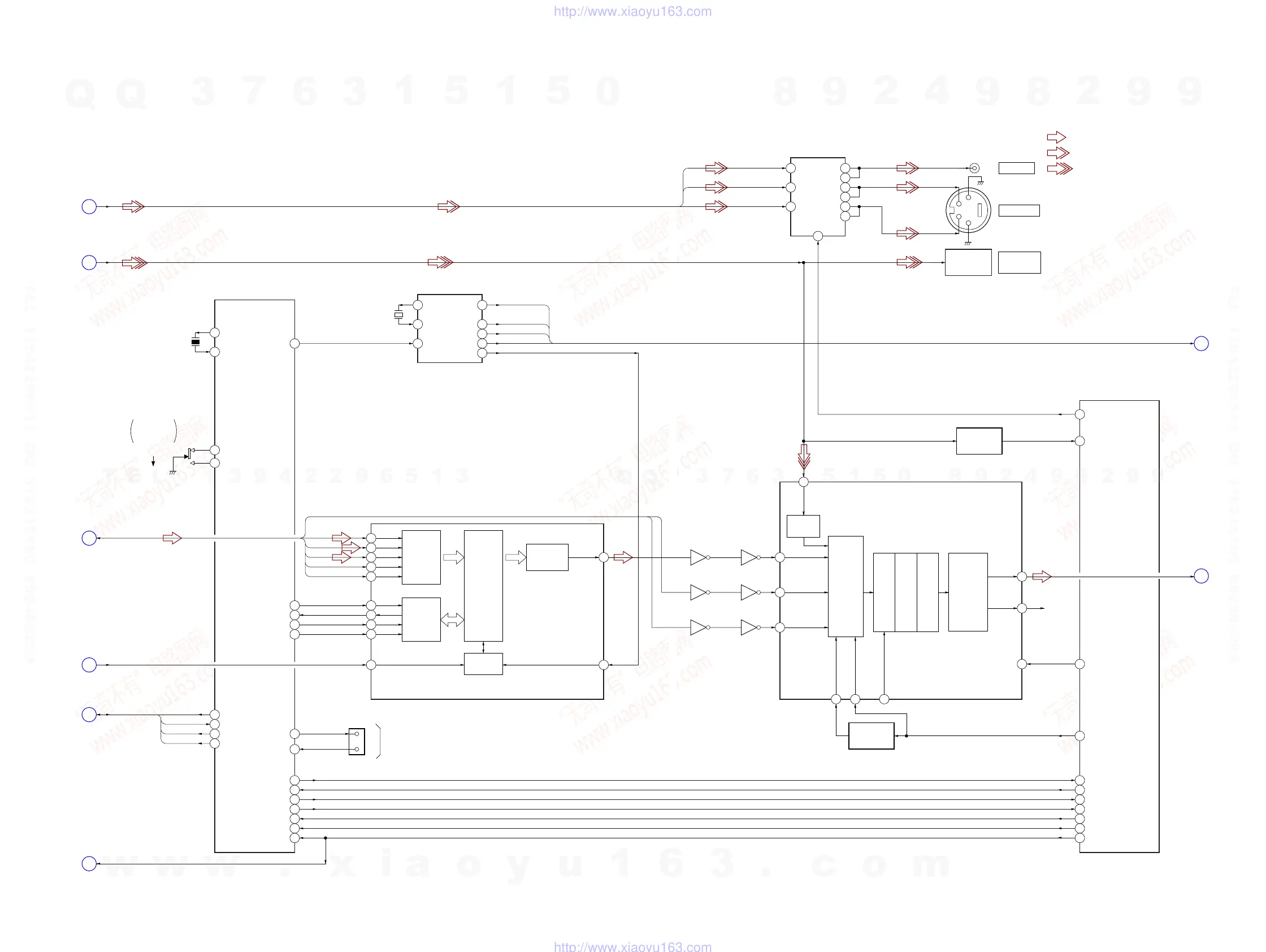
VIDEO BUFFER
IC701 (SUFFIX-21) IC701 (SUFFIX-22)
H
I
G
B
OPTICAL
TRANSMITTER
IC321
J701
J700
VIDEO OUT
S VIDEO OUT
CLOCK GENERATOR
IC102 (SUFFIX-21) IC102 (SUFFIX-22)
X102
27MHz
84
X101
16.5MHz
18
63
48
• SIGNAL PATH
V, Y, C
SPDIF
ACH12, ACH34, ACH56,
BCK, LRCK
XLDON, XSDPIT, XSDPCS
XDRVMUTE
DVD SYSTEM
CONTROLLER
XLDON
XSDPIT
XSDPCS
XDRVMUTE
V
Y
C
INB
INC
INA
MUTE
OUTC1
OUTC2
OUTB1
OUTB2
OUTA1
OUTA2
33-1OUT
33-2OUT
27-1OUT
512-1OUT
XTO
XTI
FSEL
33MARP
33MAVD
27MAVD
512FSAVD
X1
X0
XLDON
INT2
CS5X
XDRVMUTE
48/44.1k
(Page 30)
(Page 30)
(Page 30)
(Page 29)
• R-CH : R-ch is omitted due to same as L-ch.
6
7
8
9
SDI0
SDI1
SDI2
BCKI
5
LRCKI
AUDIO
IN
INTERFACE
13
17
14
SI
SO
SCK
11
XCS
SERIAL
INTERFACE
DSP
MODLE
AUDIO
OUT
INTERFACE
37
SDO0
TEST
INTERFACE
48
XRST
ACH12
ACH34
ACH56
BCK
LRCK
BCK, LRCK
9512-2OUT
LRCK
BCK
17
62
35
35
62
17
– IC301 –
7
IIS-IN-SD
8
IIS-IN-BCK
9
IIS-IN-WS
DATA
INPUT/
OUTPUT
INTERFACE
CIRCUIT
IEC958
DECODER
19
IIS-EXT-SEL
20
SPDIFSEL
15
SPDIF0
AUDIO FEATURE
PROCESSOR
INTERPOLATOR
NOISE SHAPER
12
MUTE
D/A
CONVERTER
CIRCUIT
VOUT L
VOUT R
22 R-CH
J
DVD-L
(Page 33)
D/A CONVERTER
IC302
26
25
27
51
SO0
SI0
SC0
XIFCS
RESET
1 1 DAC RESET
DATA SELECT
SWITCH
Q303
79 INPUT SEL
34 PLL-LOCK DET
33 SCLK
18
PLL LOCK
DETECT
Q306, 307
OPTICAL
DIGITAL OUT
83
20
76
MAMUTE
INT4
XFRST
36
35
37
19
XLT
DATA
CLK
SYSCS
56
54
60
SENS
LD ON
XFRST
SYSTEM CONTROLLER
F
XRST
(Page 30)
AUDIO DIGITAL
SIGNAL PROCESSOR
IC801 (SUFFIX-21) IC801 (SUFFIX-22)
E
(Page 30)
TRST
56
57
CKSW1
OCSW1
S1
DISC TRAY
OPEN/CLOSE
DETECT
29
28
38
80
SO1
SI1
SC1
VESCS/X39CS
D
33MARP, 33MAVD,
27MAVD, 512FSAVD
(Page 30)
3
MCLK
32
1
2
TXD
RXD
(FOR TEST)
31
CN103
SO2
SI2
CLOSE
OPEN
– IC802 (SUFFIX-21) –
– IC802 (SUFFIX-22) –
IC103 (2/2) (SUFFIX-21)
IC103 (2/2) (SUFFIX-22)
IC306 (1/4) (SUFFIX-11)
IC306 (1/4) (SUFFIX-12)
6-3. BLOCK DIAGRAM – DVD MAIN Section (2/2) –
w
w
w
.
x
i
a
o
y
u
1
6
3
.
c
o
m
Q
Q
3
7
6
3
1
5
1
5
0
9
9
2
8
9
4
2
9
8
T
E
L
1
3
9
4
2
2
9
6
5
1
3
9
9
2
8
9
4
2
9
8
0
5
1
5
1
3
6
7
3
Q
Q
TEL 13942296513 QQ 376315150 892498299
TEL 13942296513 QQ 376315150 892498299
http://www.xiaoyu163.com
http://www.xiaoyu163.com

Table of Contents

Related product manuals