EasyManua.ls Logo

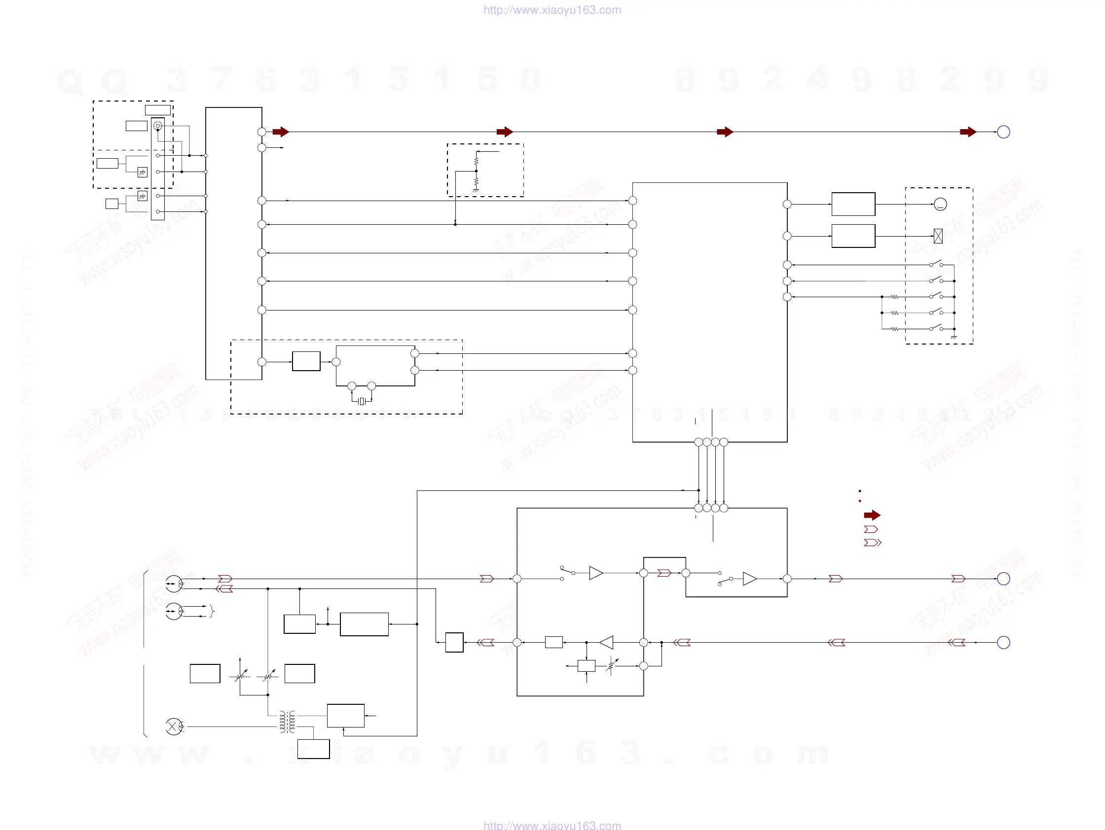
Sony HCD-M90 - Block Diagrams - Tuner;Tape Deck Section; Tuner Unit and Tape Deck Signal Paths

Sony HCD-M90
134 pages
Print Icon
To Next Page IconTo Next Page
To Next Page IconTo Next Page
To Previous Page IconTo Previous Page
To Previous Page IconTo Previous Page
Loading...
HCD-M90
3232
MUTING
CONTROL SWITCH
Q404, 405
11
ALC
(AEP, UK)
TU1
TUNER UNIT
(EXCEPT AEP, UK)
FM75
ANENNA
AM
4
3
5
9
8
10
7
1 4
13 14
2
DET AMP
Q302
16
2
18
X301
4.332MHz
RDS DECODER
(AEP, UK)
57
23
27
22
25
80
59
CAPSTAN/REEL
MOTOR DRIVE
Q341, 343
58
38
90
91
TRIGGER
PLUNGER DRIVE
Q342, 344
MM
(TAPE DECK BLOCK)
(CAPSTAN/REEL)
SIGNAL PATH
: TUNER (FM/AM)
: TAPE PLAY
: REC
FM ANT
ANT GND
ANT GND
AM ANT
L-CH
R-CH R-CH
TUNED
DI
CK
CE
DO
FM DET MUX
X1 X0
RDATA
RCLK
SYSTEM CONTROLLER
IC306 (2/4) (SUFFIX-11) IC306 (2/4) (SUFFIX-12)
RDS DATA
RDS-INT
TUNED
ST DOUT
ST CLK
ST CE
ST DIN
ALC
43
REC/PB
CAPM CONT1
BTRG
PLAY SW
END SW
TC SW
R-CH : R-ch is omitted due to same as L-ch.
41
REC MUTE
39
LINE MUTE
34
BIN (L)
1513 14
28
EQ-OUT (L)
26
PB-OUT
(L)
TAI (L)
MUTE
REC/PB EQ AMP, ALC
IC401 (SUFFIX-12) IC401 (SUFFIX-32)
A/B
MUTE
REC-MUTE
24
23
REC-OUT
(L)
REC-IN
(L)
ALC
(L)
21
R-CH
R-CH
EQ
ALC
BIAS OSC
T401
REC BIAS
SWITCH
Q402, 403
COM +8V
BIAS OSC
Q401
REC BIAS
(L)
MUTING
Q100, 101
RV101
REC BIAS
(R)
RV201
L-CH
R-CH
ERASE
R-CH
HRPE901
(RECORD/PLAYBACK/ERASE)
R-CH
R-CH
T101
BIAS
TRAP
K
TU-L
(Page 33)
L
TC-L
(Page 33)
M
REC-L
(Page 33)
FM75
27
TU
+9.5V
(AEP, UK)
IC326 (SUFFIX-14)
IC326 (SUFFIX-16)
6-4. BLOCK DIAGRAM – TUNER/TAPE DECK Section –
w
w
w
.
x
i
a
o
y
u
1
6
3
.
c
o
m
Q
Q
3
7
6
3
1
5
1
5
0
9
9
2
8
9
4
2
9
8
T
E
L
1
3
9
4
2
2
9
6
5
1
3
9
9
2
8
9
4
2
9
8
0
5
1
5
1
3
6
7
3
Q
Q
TEL 13942296513 QQ 376315150 892498299
TEL 13942296513 QQ 376315150 892498299
http://www.xiaoyu163.com
http://www.xiaoyu163.com

Table of Contents

Related product manuals