EasyManua.ls Logo

Sony HCD-M90 - Schematic Diagram - TC Board (Suffix-12); TC Board Circuit Diagram (Suffix-12)

Sony HCD-M90
134 pages
Print Icon
To Next Page IconTo Next Page
To Next Page IconTo Next Page
To Previous Page IconTo Previous Page
To Previous Page IconTo Previous Page
Loading...
HCD-M90
6161
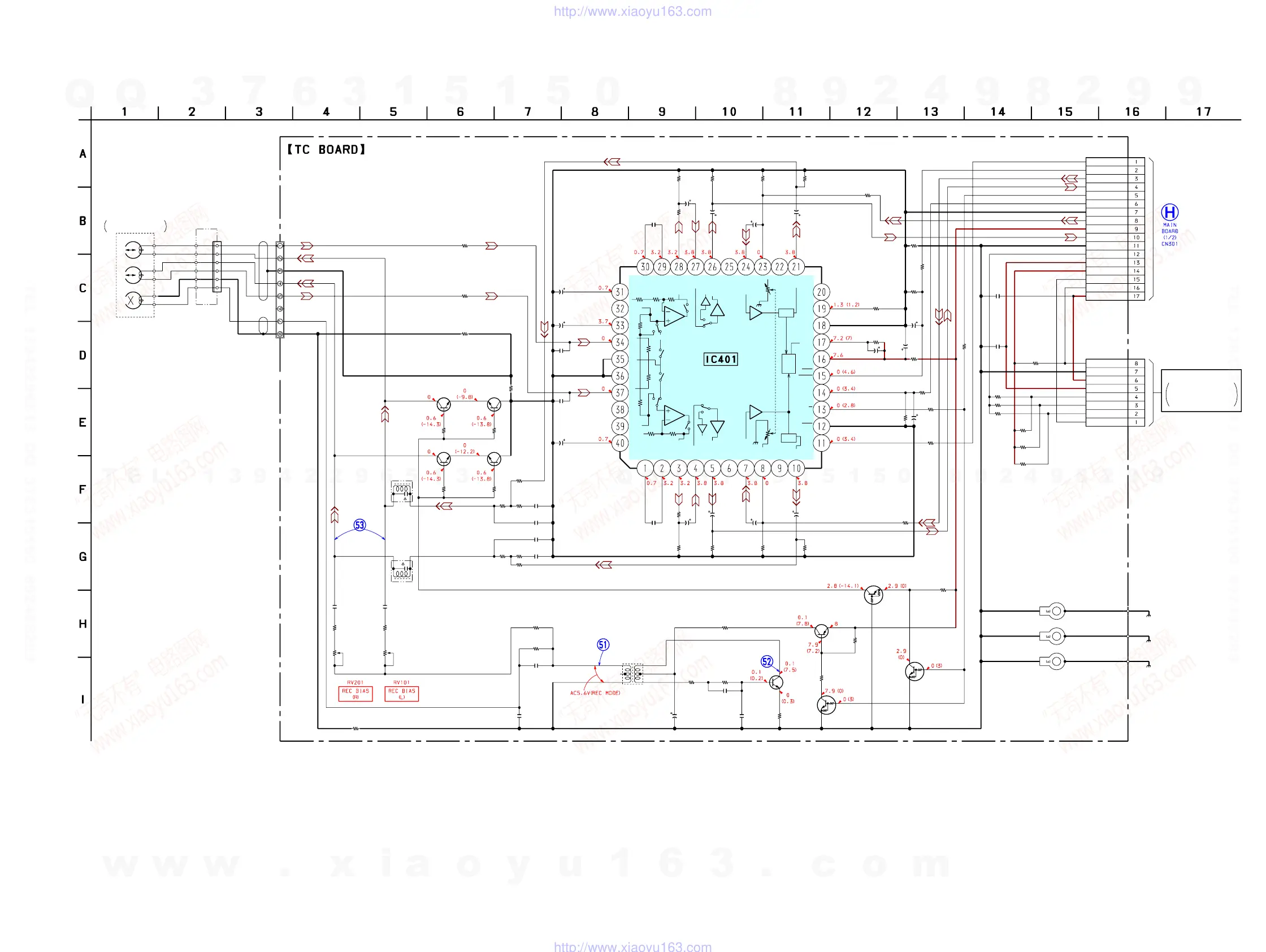
6-33. SCHEMATIC DIAGRAM – TC Board (Suffix-12) – See page 82 for Waveforms.
•Voltages and waveforms are dc with respect to ground
under no-signal conditions.
no mark : TAPE PLAY
(): REC
C402
C403
R212
R428
R425
R426
R418
R422
R424
R423
R409
R410
R412
R411
R414
C401
R415
R416
JR102
C400
R413
R417
R103 R104 R105
R106
C107 C108C106
C105
R101
C104
C207
R206
C208C206
C205
R201
R203 R204 R205
C204
C101
C410
C201
R408
R407
Q405
Q404
R406
Q403
C435
R404
C422 R405
R403
R402
C434
JR201
R401
C433
C432
R109
R111 C110
C111
C211
C210R211
R112
R208R207
Q200
Q201
R108R107
Q100 Q101
JR103
R213
JR104
C109C209
JR106 JR105
RV101RV201
R400
R113
R209
TH1
TH2
TH3
CNP1
T101
T201
T401
CN301
Q401
Q402
IC401
CN302
C407
C202
C102
R202
R102
C437
D401
0.01
0.01
5.6k
4.7k
4.7k
4.7k
4.7k
10k
47k
22k
4.7k
10k
10k
47k
33
100
16V
47k
1k
0
10
50V
1M
24k
10k 2.2k 47k
10k
1
50V
2.2
50V
10
50V
1
50V
47k
0.01
1
50V
10k
2.2
50V
10
50V
1
50V
47k
10k 2.2k 47k
0.01
470p
1
50V
470p
4.7k
47k
KRC107S
KRA102S
4.7k
KRC102S
0.01
10k
0.0068 10
47
10
47
10V
0
3.3k
0.0047
0.012
2.2k
10k 0.01
330p
330p
0.0110k
5.6k
10k10k
KTC3203Y
KTC3203Y
10k10k
KTC3203Y KTC3203Y
0
10
0
0.0010.001
1K 1K
33k33k
1
10
2.2k
8P
17P
KTC3203Y
KTA1266Y-AT
HA12236F
8P
10
50V
47
16V
47
16V
47k
47k
10
50V
0
REC-MUTE
PLAY-SW
PACK
REC-L
REC-R
MO +12V
MO GND
SOL 12V
END SW
END SW
ALC CONT
1
2
3
4
5
6
(CHASSIS)
(CHASSIS)
(CHASSIS)
L-CH
R-CH
ERASE
HRPE901
ERASE
RECORD/PLAYBACK/
TAPE DECK BLOCK
THE ASSEMBLED
BLOCK
SUPPLIED WITH
MUTING
Q100,101,200,201
REC/PB EQ AMP,
ALC
BIAS OSC
BIAS OSC
Q402,403
REC BIAS
SWITCH
SWITCH
Q404,405
MUTING CONTROL
REC IN-R
R-OUT
REC/PB
LINE MUTE
A-GND
REC IN-L
+8.0V
L-OUT
MO GND
TC-SW
PLAY-SW
MO +12V
SOL 12V
PB-
NF1(L)
PB-NF2(L)
PB-
EQ(L)
EQ-
O
UT(L)
TAI(L)
PB-
O
UT(L)
MUTE
NC
R
EC
-
IN
(L)
ALC(L)
NC
REC-OUT(L)
TEST
I-
REF
GND
VCC
ALC-
DET
REC
MUTE
MUTE
A/
B
NORHI/
ALC
REC-OUT(R)
NC
(R)
ALC
REC-
N
C
PB-
OU
T(R
)
IN
(R)
(R)
TAI
OUT(R
)
EQ-
PB-
EQ(R)
PB-
PB-NF2(R)
NF1(R)
AIN
(R)
NC
BIN
(R)
GND
REC
BIN
(L)
RIP
AIN
(L)
EQ
ALC
EQ
MUTE
AB
AB
B+3.3V
(Page 64)
w
w
w
.
x
i
a
o
y
u
1
6
3
.
c
o
m
Q
Q
3
7
6
3
1
5
1
5
0
9
9
2
8
9
4
2
9
8
T
E
L
1
3
9
4
2
2
9
6
5
1
3
9
9
2
8
9
4
2
9
8
0
5
1
5
1
3
6
7
3
Q
Q
TEL 13942296513 QQ 376315150 892498299
TEL 13942296513 QQ 376315150 892498299
http://www.xiaoyu163.com
http://www.xiaoyu163.com

Table of Contents

Related product manuals