EasyManua.ls Logo

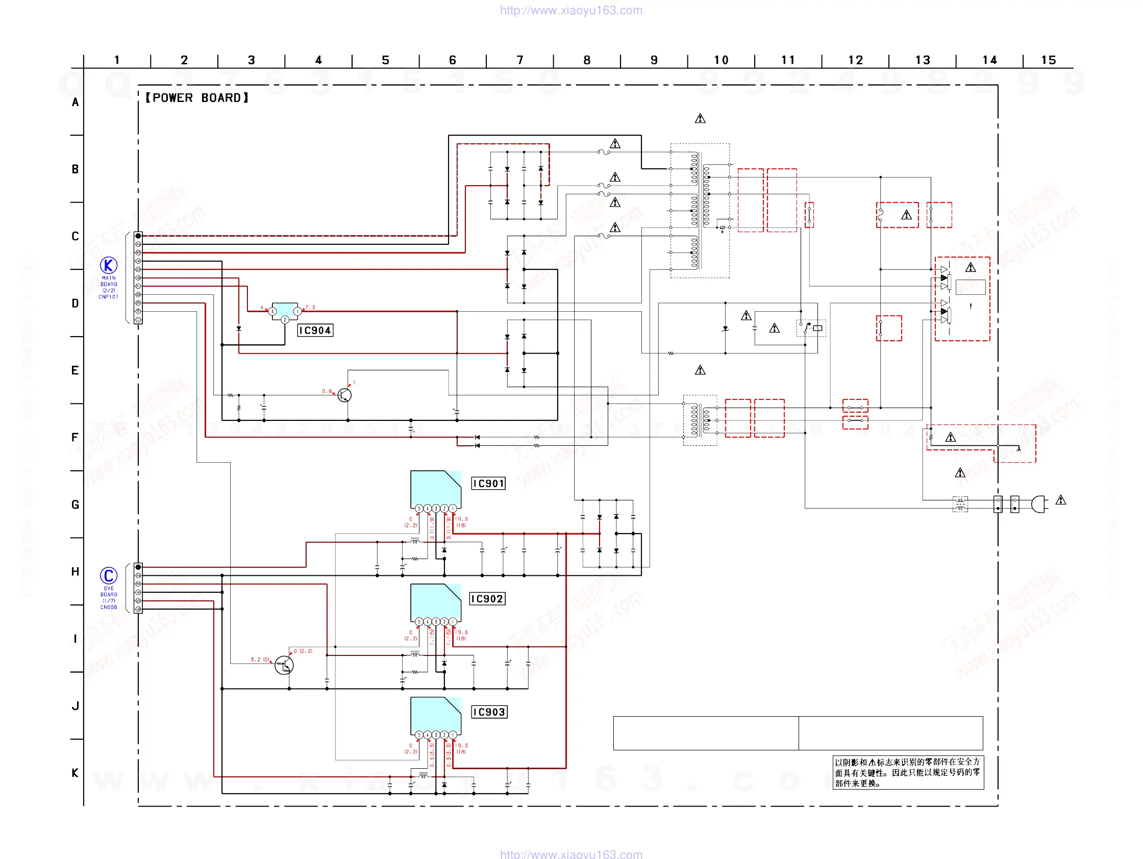
Sony HCD-M90 - Schematic Diagram - POWER Board (Suffix-11); POWER Board Circuit Diagram (Suffix-11)

Sony HCD-M90
134 pages
Print Icon
To Next Page IconTo Next Page
To Next Page IconTo Next Page
To Previous Page IconTo Previous Page
To Previous Page IconTo Previous Page
Loading...
HCD-M90
7979
R903
R904
C
9
0
4
D
9
0
4
C
9
0
2
D
9
0
2
C
9
0
5
D
9
0
5
C
9
0
3
D
9
0
3
D
9
0
8
D
9
0
6
D
9
0
9
D
9
0
7
D
9
12
D
9
1
0
D
9
1
3
D
9
1
1
F906
F907
F903
F904
C901
R901
D918
CN901
R905
R906D920
D919
C921
C
9
1
4
D
9
1
4
D
9
1
6
C
91
6
C
9
1
7
D
9
1
7
D
9
15
C
9
1
5
C941C951
C952
C944
C946 C953 C945
C943
C925
CN902
D921
IC904
C942
T902
JW918
JW920
RY901
T901
JW915
JW916
S901
LF901
G901
Q902
C918
IC901
R908
C929
C930
IC902
C932
D924
D925
R909
C931
IC903
C934D926
L903
C933
Q904
CN903
R900
L901
L902
F901
C920
4.7k
47k
0
.0
2
2
1
N
5
4
0
1
0
.0
2
2
1
N
5
4
0
1
0
.0
2
2
1
N
5
4
0
1
0
.0
2
2
1
N
5
40
1
2
A
0
2
M
2
A
0
2
M
2
A
0
2
M
2
A
0
2
M
1
S
S
1
3
3
T
-7
7
1
S
S
1
3
3
T-7
7
1
S
S
1
3
3
T
-7
7
1
S
S
1
3
3
T
-7
7
0.01
250V
2.2
MTZJ-T-77
-6.2B
2P
1k
1k1SS133T-77
1SS133T-77
1000
16V
0
.0
2
2
2
A
0
2
M
2
A
0
2
M
0
.0
2
2
0
.0
2
2
2
A
0
2
M
2
A
0
2
M
0
.0
2
2
0.13300p
3300p
0.1
0.1 3300p 0.1
0.1
3300
25V
11P
1SS133T-77
0.1
2SC2412
10
50V
SI-8120JF
0
330
16V
22
35V
SI-8050JF
22
35V
11EQS04
-TA1B
11EQS04
-TA1B
0
330
6.3V
SI-8033JF
22
35V
11EQS04
-TA1B
330
6.3V
SRC1202SF
6P
3.3M
1/2W
T1.6AL
250V
22
25V
RELAY ON
COM
115V
230V
COM
115V
COM
120/230
COM
120/230230V
R1-GND
R2-GND
BACKUP4V
COM 8V
FAN CONTROL
AC DET
TRANSFOMER
(SP)
(SP)
OUT
IN
GND
CONT
VREF
OUT
IN
GND
CONT
VREF
OUT
IN
GND
VREF
CONT
F903,904,906,907
2.5A 125V
T2.5AL 250V
(US,CND)
(AEP,UK,SP,AUS)
MAIN POWER
NOT REPLACEABLE:
BUILT IN TRANSFORMER
(EXCEPT SP)
(EXCEPT SP)(SP)
(SP)
(EXCEPT SP)
TRANSFOMER
SUB POWER
(EXCEPT SP) (EXCEPT SP)
(SP)
-2
-1
110V-120V
220V-240V
VOLTAGE
SELECTOR
(SP)
LINE
FILTER
(CHASSIS)
(US,CND)
(AC IN)
DVD POWER CONT O I
G
+4V REGULATOR
RELAY DRIVE
POWER ON/OFF
+12V REGULATOR
+5V REGULATOR
+3.3V REGULATOR
POWER
SWITCH
M+12V
MGND
D+5V
DGND
D+3.3V
DGND
-22.5V
+22.5V
+14.2V
µPC3504AHF
330µH
330µH
100µH
6-51. SCHEMATIC DIAGRAM – POWER Board (Suffix-11) –
•Voltages and waveforms are dc with respect to ground
under no-signal (detuned) conditions.
no mark : TUNER (FM/AM)
(Page 65)
(Page 42)
The components identified by mark 0 or dotted
line with mark 0 are critical for safety.
Replace only with part number specified.
Les composants identifiés par une marque 0 sont
critiques pour la sécurité. Ne les remplacer que
par une pièce portant le numéro spécifié.
w
w
w
.
x
i
a
o
y
u
1
6
3
.
c
o
m
Q
Q
3
7
6
3
1
5
1
5
0
9
9
2
8
9
4
2
9
8
T
E
L
1
3
9
4
2
2
9
6
5
1
3
9
9
2
8
9
4
2
9
8
0
5
1
5
1
3
6
7
3
Q
Q
TEL 13942296513 QQ 376315150 892498299
TEL 13942296513 QQ 376315150 892498299
http://www.xiaoyu163.com
http://www.xiaoyu163.com

Table of Contents

Related product manuals