EasyManua.ls Logo

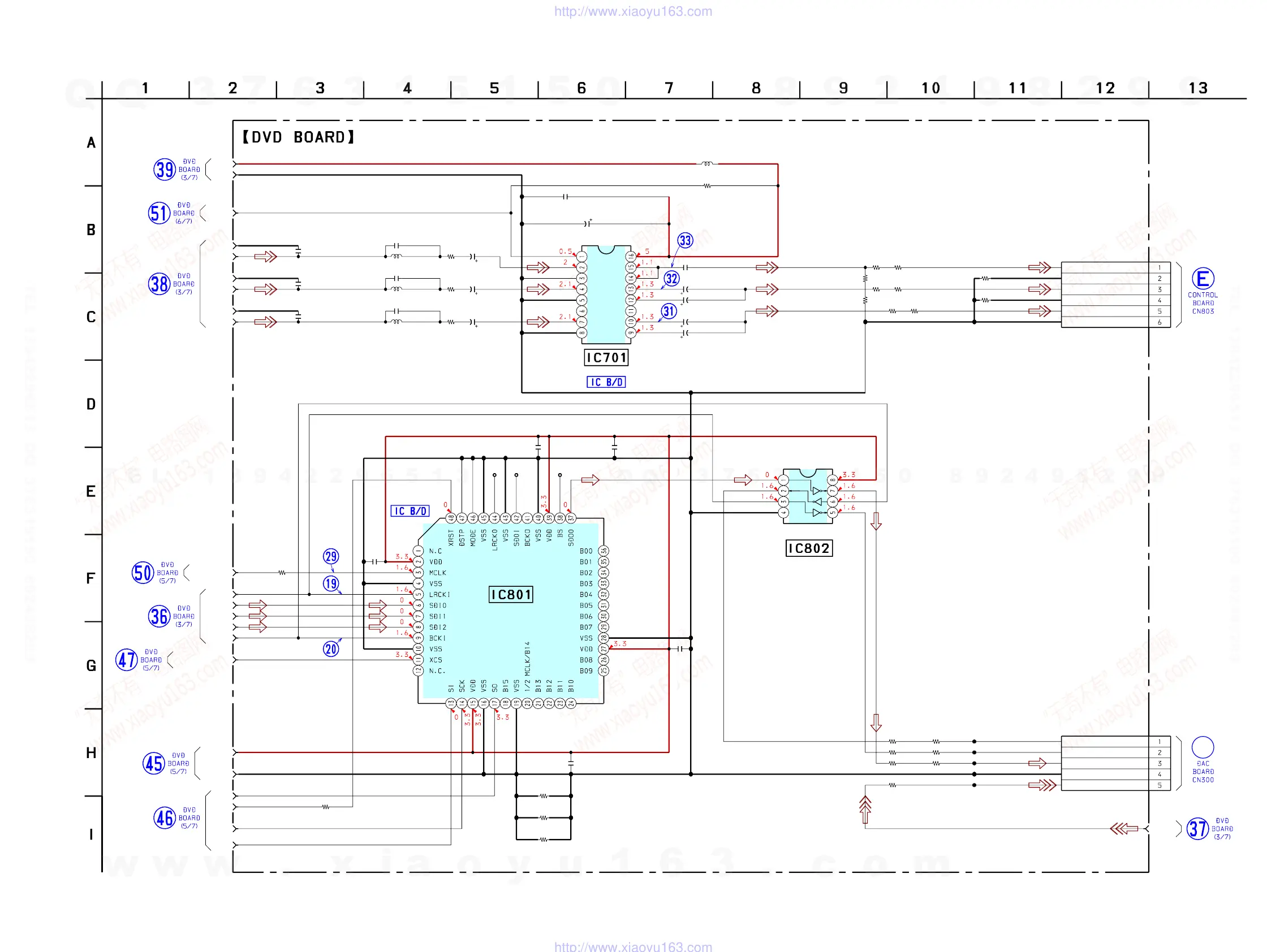
Sony HCD-M90 - Schematic Diagram - DVD Board (7;7) (Suffix-22); DVD Board (7;7) Schematic (Suffix-22)

Sony HCD-M90
134 pages
Print Icon
To Next Page IconTo Next Page
To Next Page IconTo Next Page
To Previous Page IconTo Previous Page
To Previous Page IconTo Previous Page
Loading...
HCD-M90
5555
L715
L713
L711
C765
R712
R711
C764
R713
C766
R719R725
C702
C745
C744
C743
C742
R718
R717
R724
C701
IC701
C712
C717
C722
C741
CN011
FB711
FB712
R737
R738
FB714
C716
C721
C711
L701
R701
TP801 TP802 TP803
IC802
C810
C802
C811
C807
C806
CN801
JL413
JL414
JL415
JL417
JL416
R806
R807
R808
R802
R803
R812
R813
R814
FB802
FB801
FB803
R805
IC801
1
50V510
510
1
50V
510
1
50V
7510k
0.1
22 6.3V
100 6.3V
22 6.3V
100 6.3V
75
75
10k
100
6.3V
BA7666FS-E2
33p
33p
33p
0.1
6P
0
0
0
0
0
18p
18p
18p
10k
TC7WU04FU
0.01
0.01
0.01
0.01
10000p
5P
100
100
100
0
0
0
0
0
0
0
0
100
CXD9626Q
Y
C
V
VMUTE
V_GND
C_GND
Y_GND
DGND
D+5V
LRCK
512FS6CH
ACH56
ACH34
ACH12
BCK
X39CS/XVESCS
DGND
SI1
XRST
SC1
SO1
SPDIF
D+3.3V
C
Y
GND
GND
GND
VIDEO
MUTE
INA
GND
INB
GND
NC
INC
GND
VCC
OUTA1
OUTA2
OUTB1
OUTB2
NC
OUTC1
OUTC2
(7/7)
VIDEO BUFFER
GND
VCC
SPDIF
LRCLK
BCK
SDATA
DGND
INVERTER
SIGNAL PROCESSOR
AUDIO DIGITAL
15µH
15µH
15µH
10µH
F2
6-27. SCHEMATIC DIAGRAM – DVD Board (7/7) (Suffix-22) – See page 82 for Waveforms. See page 85 for IC Block Diagrams.
•Voltages and waveforms are dc with respect to ground
under no-signal conditions.
no mark : DVD PLAY
(Page 51)
(Page 54)
(Page 51)
(Page 53)
(Page 51)
(Page 53)
(Page 53)
(Page 53)
(Page 73)
(Page 59)
(Page 51)
Ver 1.3
w
w
w
.
x
i
a
o
y
u
1
6
3
.
c
o
m
Q
Q
3
7
6
3
1
5
1
5
0
9
9
2
8
9
4
2
9
8
T
E
L
1
3
9
4
2
2
9
6
5
1
3
9
9
2
8
9
4
2
9
8
0
5
1
5
1
3
6
7
3
Q
Q
TEL 13942296513 QQ 376315150 892498299
TEL 13942296513 QQ 376315150 892498299
http://www.xiaoyu163.com
http://www.xiaoyu163.com

Table of Contents

Related product manuals